Lietuvos BMW Klubas

Lietuvos BMW Klubo Forumas

Dabar yra 03 Kov 2026, 04:23

Visos datos yra UTC + 2 valandos [ DST ]


Forumo taisyklės


Čia aptariamos tik E46 modelių problemos, visa kita informacija bus be perspėjimo trinama.
Kuriant temas būtina nurodytį kėbulo koda laužtiniuose skliaustuose [], bei aiškiai įvardinti problemą temos pavadinime.



Naujos temos kūrimas Atsakyti į temą  [ 72 pranešimai(ų) ]  Eiti į 1, 2, 3, 4, 5  Kitas
Autorius Žinutė
StandartinėParašytas: 13 Rgp 2009, 18:35 
Atsijungęs
 Aprašymas  
 
 
Vartotojo avataras
Registracija:
2008.03.04
Amžius:
46
Pranešimai:
291
Miestas:
Lietuva
Automobiliai:
X5 E70 3.0d 07'
Automobilio, apie kuri norite paklausti - 320d
Pagaminimo metai: 1998
Variklis: 2.0l
Degalai: dyzel

Sveiki. Nezinau ar cia tik pas mane masinoje taip, ar gal ir kituose 320d. tas pats #-o Ryte uzvedus varikli, tepalo raudona lempute neuzgesta kokias 3 sekundes, ir girdisi pagal variklio darba, kad tepalo nepakelia ant veleneliu, nes virsuje variklio viskas barska, vos lemputei uzgesus, variklis pradeda dirbti kaip laikrodukas. Taip buna tik ilgiau pastovejus automobiliui, jei uzgesini ir uzkart vel vedi, lempute uzkart gesta. Galvojau gal cia tepaluose beda, bet sia savaite pasikeiciau tepalus, uzpyliau Castrol EDGE turbo diesel 5W-40, aisku pasikeiciau tepalo filtra, bet nieko nepasikeite :cry: Ar mano itarimai bus teisingi ir cia pozymiai, kad tepalo siurblys jau mirsta? Man atrodo,kad taip ir toliau uzvedinejant masina, sudrosi visa varikli ? Dekui uz komentarus.


StandartinėParašytas: 13 Rgp 2009, 19:19 
Atsijungęs
 Aprašymas  
 
 
Registracija:
2008.01.23
Amžius:
43
Pranešimai:
179
Miestas:
Kaunas
Automobiliai:
E30 318 86m
E36 325tds 94m
E46 320d 01m
E46 330d 02m
E61 530d 04m
Pas mane lygiai taip pat. #-o Laukiam komentaru :)


StandartinėParašytas: 13 Rgp 2009, 19:43 
Atsijungęs
 Aprašymas  
 
 
Registracija:
2008.06.02
Pranešimai:
651
Automobiliai:
ex >20 Bmw
2l D >280Ag ;)
90% kad bus blogas voztuvelis, kuris laiko kad neisbegtu tepalas is tepalo filtro korpuso...

_________________
No Smoke - No Power


StandartinėParašytas: 13 Rgp 2009, 20:07 
Atsijungęs
 Aprašymas  
 
 
Vartotojo avataras
Registracija:
2008.03.04
Amžius:
46
Pranešimai:
291
Miestas:
Lietuva
Automobiliai:
X5 E70 3.0d 07'
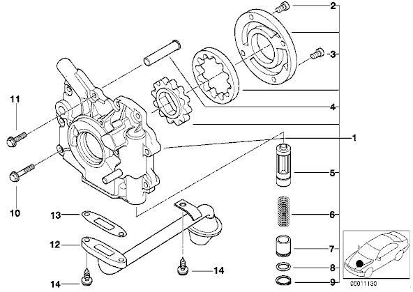
Ar turi omenyje si voztuva, detale Nr. 5 - control valve ?


Prikabinti failai:
20.png
20.png [ 14.65 KiB | Peržiūrėta 15784 kartus(ų) ]
StandartinėParašytas: 13 Rgp 2009, 23:03 
Atsijungęs
 Aprašymas  
 
 
Vartotojo avataras
Registracija:
2008.03.04
Amžius:
46
Pranešimai:
291
Miestas:
Lietuva
Automobiliai:
X5 E70 3.0d 07'
Dar pasiknises nete radau info, kad yra kazkoks dar redukcinis voztuvas paciame tepalinio filtro korpuse, bet kazkodel realoem jo nerodo #-o


StandartinėParašytas: 14 Rgp 2009, 00:20 
Atsijungęs
 Aprašymas  
 
 
Registracija:
2008.06.02
Pranešimai:
651
Automobiliai:
ex >20 Bmw
2l D >280Ag ;)
redukcinis voztuvas yra tavo prisegtame piesinuke, o va tas apie kuri as kalbejau yra tepalo filtro korpuse/kronsteine

_________________
No Smoke - No Power


StandartinėParašytas: 14 Rgp 2009, 06:59 
Atsijungęs
 Aprašymas  
 
 
Registracija:
2008.11.02
Amžius:
42
Pranešimai:
137
Miestas:
Vilnius
Automobiliai:
E46, 320d, 99m.
Skype:
Man_tu_kas
kad pas mane irgi tas pats... :?


StandartinėParašytas: 14 Rgp 2009, 17:11 
Atsijungęs
 Aprašymas  
 
 
Vartotojo avataras
Registracija:
2008.03.04
Amžius:
46
Pranešimai:
291
Miestas:
Lietuva
Automobiliai:
X5 E70 3.0d 07'
bachurs rašė:
redukcinis voztuvas yra tavo prisegtame piesinuke, o va tas apie kuri as kalbejau yra tepalo filtro korpuse/kronsteine


Tai o pavyzdziui pasitikrinti ar tas voztuvas laiko, galima sakykim per nakti masinai pastovejus, atsukt tepalinio filtro korpuso dangteli ir pasiziureti - jei ten sausa, voztuvas nelaiko ???


StandartinėParašytas: 14 Rgp 2009, 17:25 
Atsijungęs
 Aprašymas  
 
 
Registracija:
2008.06.02
Pranešimai:
651
Automobiliai:
ex >20 Bmw
2l D >280Ag ;)
taip galima!

_________________
No Smoke - No Power


StandartinėParašytas: 14 Rgp 2009, 17:38 
Atsijungęs
 Aprašymas  
 
 
Vartotojo avataras
Registracija:
2008.03.04
Amžius:
46
Pranešimai:
291
Miestas:
Lietuva
Automobiliai:
X5 E70 3.0d 07'
bachurs rašė:
taip galima!


O tai uzbegant ivykiams uz akiu, tas voztuvas yra remontuojamas, ar imanoma ji pasikeisti nauju? Nes kad ta visa filtro korpuso kronsteina nuimt, tai jauciu puse variklio reiks aplinkui aprinkt #-o


StandartinėParašytas: 14 Rgp 2009, 17:53 
Atsijungęs
 Aprašymas  
 
 
Registracija:
2008.06.02
Pranešimai:
651
Automobiliai:
ex >20 Bmw
2l D >280Ag ;)
nera super stebuklingai sunku ji nuimti ar pakeisti, bet siaip jis stovi viduj to korpuso, kuris sukasi prie variklio bloko.

_________________
No Smoke - No Power


StandartinėParašytas: 14 Rgp 2009, 19:41 
Atsijungęs
 Aprašymas  
 
 
Vartotojo avataras
Registracija:
2008.03.04
Amžius:
46
Pranešimai:
291
Miestas:
Lietuva
Automobiliai:
X5 E70 3.0d 07'
Nu va nusisukau ta korpuso dangteli ir stai ka pamaciau.... Aplink per viduri esanti "sulini" tepalas laikosi, o viduje jo nera. Mano nuomone taip ir turetu buti ?!?!


Prikabinti failai:
defective rings 006.jpg
defective rings 006.jpg [ 97.4 KiB | Peržiūrėta 15703 kartus(ų) ]
StandartinėParašytas: 14 Rgp 2009, 23:03 
Atsijungęs
 Aprašymas  
 
 
Registracija:
2008.06.13
Amžius:
49
Pranešimai:
8330
Miestas:
Rumšiškės
Nekazka tu patikrinsi taip nes tik atsukus filtra tepalas is karti subega i karteri tai kol tu ji pilnai issuki ir istrauki ten viduje buna jau tuscia. Cia taip pas visus bmw variklius. Tikrint reiktu matuojant tepalo spaudima.


StandartinėParašytas: 15 Rgp 2009, 00:05 
Atsijungęs
 Aprašymas  
 
 
Registracija:
2008.06.16
Pranešimai:
343
pas mane irgi taspats ryte buna :D cia normalu ant E46 320d kaip matau =D>


StandartinėParašytas: 15 Rgp 2009, 14:11 
Atsijungęs
 Aprašymas  
 
 
Vartotojo avataras
Registracija:
2005.08.27
Amžius:
55
Pranešimai:
9724
Miestas:
Kaunas
Automobiliai:
BMW E36 328Ci
BMW e92 330d
BMW e90 320d
BMW K1200GT
Skype:
maisteris
Koks tepalo filtras idetas? Kas gamintojas?

_________________
Antanas.E36Coupe


Rodyti paskutinius pranešimus:  Rūšiuoti pagal  
Naujos temos kūrimas Atsakyti į temą  [ 72 pranešimai(ų) ]  Eiti į 1, 2, 3, 4, 5  Kitas

Visos datos yra UTC + 2 valandos [ DST ]


Dabar prisijungę

Vartotojai naršantys šį forumą: Registruotų vartotojų nėra


Jūs negalite kurti naujų temų šiame forume
Jūs negalite atsakinėti į temas šiame forume
Jūs negalite redaguoti savo pranešimų šiame forume
Jūs negalite trinti savo pranešimų šiame forume
Jūs negalite prikabinti failų šiame forume

Ieškoti:
Pereiti į:  
cron
Part of BMW Club Lithuania | Also visit BMW Club Gallery