Lietuvos BMW Klubas

Lietuvos BMW Klubo Forumas

Dabar yra 15 Kov 2026, 00:16

Visos datos yra UTC + 2 valandos [ DST ]


Forumo taisyklės


Čia aptariamos tik E36 modelių problemos, visa kita informacija bus be perspėjimo trinama.
Kuriant temas būtina nurodytį kėbulo koda laužtiniuose skliaustuose [], bei aiškiai įvardinti problemą temos pavadinime.



Naujos temos kūrimas Atsakyti į temą  [ 56 pranešimai(ų) ]  Eiti į 1, 2, 3, 4  Kitas
Autorius Žinutė
StandartinėParašytas: 26 Geg 2009, 12:30 
Atsijungęs
 Aprašymas  
 
 
Vartotojo avataras
Registracija:
2006.03.17
Amžius:
42
Pranešimai:
11113
Miestas:
Klaipėda
Automobiliai:
ex: E36 coupe 325 M50 vanos 94'
KIA 05' 2x2
sveiki
E36 M50
norint pakeisti pravodke ant ideto variklio uztenka isiurbimo kolektoriu nuimti?

_________________
Moteris prie vairo - tai lyg zvaigzde danguje. Tu ja matai, o ji taves ne...


Paskutinį kartą redagavo all in music 30 Geg 2009, 13:49. Iš viso redaguota 1 kartą.

StandartinėParašytas: 26 Geg 2009, 15:05 
Atsijungęs
 Aprašymas  
 
 
Registracija:
2008.11.01
Pranešimai:
955
Automobiliai:
E36 325i m50 vanos coupe 93m.
E46 330i 01m.
nuemes kolektoriu turetum viska isimt.dar po langu, po valytuvais teks truputi nuardyt.neturetu ilgai uztrukt viska pakeist.cia sau keisi?


StandartinėParašytas: 26 Geg 2009, 15:56 
Atsijungęs
 Aprašymas  
 
 
Vartotojo avataras
Registracija:
2006.03.17
Amžius:
42
Pranešimai:
11113
Miestas:
Klaipėda
Automobiliai:
ex: E36 coupe 325 M50 vanos 94'
KIA 05' 2x2
na po valytuvais tikiuosi uzteks tik ta apsauga skardine nuimt, nes valytuvai nenusiima :D
jo, planuoju keist, nieko neliko daugiau kaip pravodke, o del jos senai itarimu yra... pagal viska visi davikliai ir t.t. veikia gerai, kompai visokie keisti, net ABS atjunginetas (ale signala siuncia). visokius variantus isbandes esu ir imanomus ir nelabai, bet vistiek sokineja apsukos kartais ir ekonomas neveikia (kompas, skydelis keisti)... kazkur kazkokio signalo truksta...

prie to pacio - gal kas paaiskins "pin 46 / output / fuel consumption (KVA signal) / to instrumental cluster"
KVA signalas?
ir cia output, kaip matuojasi?

nes tas sokinejimas susijes su sanaudom rodomom ekonome. tuo metu kai uzsivercia i begalybe ekonometro rodykle, tuo metu nustoja sokineti apsukos.

_________________
Moteris prie vairo - tai lyg zvaigzde danguje. Tu ja matai, o ji taves ne...


StandartinėParašytas: 26 Geg 2009, 19:07 
Atsijungęs
 Aprašymas  
 
 
Registracija:
2008.11.01
Pranešimai:
955
Automobiliai:
E36 325i m50 vanos coupe 93m.
E46 330i 01m.
ta plasmase po valytuvais,gal ir nereikes imt.pakelsi ja truputi nes reikes issukt su atsuktuvu du varztus kurie laiko pravodkes deze. pin 46 output tai cia kompo signalas siunciamas i skydeli.


StandartinėParašytas: 27 Geg 2009, 10:41 
Atsijungęs
 Aprašymas  
 
 
Vartotojo avataras
Registracija:
2006.03.17
Amžius:
42
Pranešimai:
11113
Miestas:
Klaipėda
Automobiliai:
ex: E36 coupe 325 M50 vanos 94'
KIA 05' 2x2
ok, bet kaip patikrint, ar ta signala jis tebesiuncia? :D V, A, omais ar kaip ? :)

tuos varztus issukti ne problema. nu su tuo reikalu kaip ir aisku viskas. gal kas tiesiog koki patarima dar mestels naudinga, kaip patogiau ka nros atlikt, ar kad laiko sutaupyti, ar ko nereik daryti (pvz ko nors nuimti, del ko bus bedu su surinkimu). nors neturetu buti kazko ypatingo...
dar pagalvojau, kad duobes reikes LZ atjungt, truputi negerai, nes jo nera :/ kaip ir pravodkes kitos :D (jei kas turit gera pardavimui, nesikuklinkit :) ).

_________________
Moteris prie vairo - tai lyg zvaigzde danguje. Tu ja matai, o ji taves ne...


StandartinėParašytas: 27 Geg 2009, 15:22 
Atsijungęs
 Aprašymas  
 
 
Registracija:
2008.11.01
Pranešimai:
955
Automobiliai:
E36 325i m50 vanos coupe 93m.
E46 330i 01m.
susirask ta laida is schemos pagal spalvas. kur patogiau prieit ir su voltmetru i ta laida, minusa paimsi nuo remo kazkiek turi voltu but kai stovi kai rodykle uzsivercia.paskui pralek ir matysi kaip tie voltai keicias ir atitinkamai rodykle vaiksto.o kai ta rodykle pradeda sokinet tai matysi ar ir voltai sokineja ir darai isvadas...


StandartinėParašytas: 27 Geg 2009, 15:54 
Atsijungęs
 Aprašymas  
 
 
Vartotojo avataras
Registracija:
2006.03.17
Amžius:
42
Pranešimai:
11113
Miestas:
Klaipėda
Automobiliai:
ex: E36 coupe 325 M50 vanos 94'
KIA 05' 2x2
na nuo kompo neatseksi kur koks laidas prie skydelio, o schemos nesuprantu... nera isvedimo is skydelio pagal schema. kaip atsekti is skydelio pagal schema i kokios spalvos laida pravodkes nueina...? ar laido spalva nuo kompo fiskes bus tokia pat kaip ir prie skydelio fiskes?

matai, rodykle nesokineja, ji arba 0 (vaziuojant), arba begalybe (stovint).
todel ir mastau, kad truksta signalo kazkurio (oro kg, greitis, rpm, ar kt) kad paskaiciuoti sanaudas, o tuo paciu ir del teisingo kuro padavimo.
nors dar kol veike ekonomas, rodykle sanaudu sokinejo kartu su apsukom :) na ne tolygiai, bet matesi, kad kuras paduodamas bangom tiek ant apsuku, tiek ant ekonomo (ekonomo info truputi veluoja).

kad rodo 0, vadinasi greiti mato, bet matomai kazko is kitu parodymu nemato kompas, todel ir 0.
kiek ieskojau per interneta, nera nurodyta, kokia info renka bmw ekonomai, o bendra info apie tokius irengimus yra skirtinga, tai neaisku kur ieskoti :/

diagnostika temperatura (bent jau variklio) mato - gera, rpm mato - ok, greiti skydelyje rodo - ok, matuokle rodo oro 13kg ant laisvu - lyg ir ok (matuokles 3 isbandytos), pats kompas keistas, skydelis keistas. bus koks sudukas kuris ir knisa prota masinai, na ir man tuo paciu...

dabar pagalvojau, jei jau ekonomas veikia bent 0-begalybe, vadinasi signalas yra ir ten tikrint reikalo nera to laido, nes del jo apsukos nenustos sokineti... reik pravodke gaut is kur nors... :/


Prikabinti failai:
fcm.JPG
fcm.JPG [ 43.67 KiB | Peržiūrėta 7923 kartus(ų) ]

_________________
Moteris prie vairo - tai lyg zvaigzde danguje. Tu ja matai, o ji taves ne...
StandartinėParašytas: 27 Geg 2009, 18:23 
Atsijungęs
 Aprašymas  
 
 
Registracija:
2008.11.01
Pranešimai:
955
Automobiliai:
E36 325i m50 vanos coupe 93m.
E46 330i 01m.
as manau kad dme surenka duomenis ir per46 pin siuncia skydeliuj tam tikra itampa, bet gali but kad ir skydelis pats dar kazka apdoroja.kaip su sklendes davikliu, turetu ir jis dalyvaut siam procese,kai matavai tai varzas tikrinai tiktai?dar gali but kad greicio signalas eina i skydeli ir i dme, gal dme negauna gero signalo.jei apsukos sokineja,tai ir ekonomaizeris sokineja,ta pastebejau pas save. cia ta schema is bentley imetei?


StandartinėParašytas: 27 Geg 2009, 22:48 
Atsijungęs
 Aprašymas  
 
 
Vartotojo avataras
Registracija:
2006.03.17
Amžius:
42
Pranešimai:
11113
Miestas:
Klaipėda
Automobiliai:
ex: E36 coupe 325 M50 vanos 94'
KIA 05' 2x2
sklendes daviklio varzas matavau: pastovia ir nuo 0-pilnai atidarytos. ten pagal manuala kaip ir ok. keiciau ir nuo b20tu ta davikli. ji atjungus vejai gaunasi (viena karta neuzsivede, kai pamirses buvau pajungti, kita karta atjungiau ir pergazavus pradejo sokineti apsukos - stovint vietoj).
taip, ir bentley.
reiks rytoj darbe praknist schemas, kaip su tuo greicio davikliu, i kur eina, ar tik i dme, ar ir i skydeli. na jei nebus vel tokia pat schema, kurios nesuprantu :D

_________________
Moteris prie vairo - tai lyg zvaigzde danguje. Tu ja matai, o ji taves ne...


StandartinėParašytas: 28 Geg 2009, 12:32 
Atsijungęs
 Aprašymas  
 
 
Vartotojo avataras
Registracija:
2006.03.17
Amžius:
42
Pranešimai:
11113
Miestas:
Klaipėda
Automobiliai:
ex: E36 coupe 325 M50 vanos 94'
KIA 05' 2x2
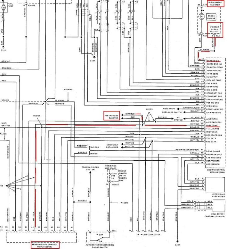
na va, perziurejau schemas ir kiek sugebejau issiaiskinti, tai signalas is greicio daviklio eina tiesiai i skydeli (to neradau, bet nera nurodyta prie variklio pravodkes schemos, kad i DME eitu signalas is daviklio), o is skydelio i DME (PIN 42). o PIN 46 is DME kuro sanaudu signalas eina i skydeli.
p.s. transmition control module (EGS) - tai cia automatui?

na jei skydelis geras, DME geras (buvo keisti is auto, pas kuria nera tokiu nesamoniu), vadinasi belieka patys laidai arba fiskiu kontaktai... ka kiti manot?

prisegu schemos iskarpa, kokybe ne kokia, nes mazinant paveiksliuka issikraipo, o programos talpinti kol kas nenaudoju...

dabar dar paziurejau per kur eina pravodkes laidai, tai ten per fiske prie saugiklines. variklio skyriuje laida galima bus praskambint, o nuo fiskes iki salone esancios skydelio fiskes matomai ir nebeprireiks tikrint, nes b20tu tokiu fintu nebuvo...


Prikabinti failai:
speed.JPG
speed.JPG [ 94.13 KiB | Peržiūrėta 7949 kartus(ų) ]

_________________
Moteris prie vairo - tai lyg zvaigzde danguje. Tu ja matai, o ji taves ne...
StandartinėParašytas: 30 Geg 2009, 11:39 
Atsijungęs
 Aprašymas  
 
 
Vartotojo avataras
Registracija:
2006.03.17
Amžius:
42
Pranešimai:
11113
Miestas:
Klaipėda
Automobiliai:
ex: E36 coupe 325 M50 vanos 94'
KIA 05' 2x2
praskambinau pravodke iki apvalios fiskes (42 pin), signalas yra; davus degima ir is tos apvalios fiskes (nuo skydelio kur laidas eina) rodo ~11V. tai kaip ir turetu signalas pareti is skydelio iki DME...
i skydeli is DME ekonomui ~12V davus degima iseina, tik toliau laidu netikrinau cia prie DME fiskes.
DME keistas, skydelis keistas.
teks man rodos i bmw autocentra uzsirasyti, nes jie vieninteliai normalia iranga turi kur ir life data skaitytu... tikiuosi kas su ta iranga dirba, kad mokes paziureti ka reikia...

dar kur per carsoft anksciau pasikartojancia klaida buvo rade "temperature sensor voltage is not plausible", patikrinau dar karta - is kompo signalas davikliui 5V pareina, is daviklio i DME gryzta ~1.5V (turi buti 0-5V), tai cia kaip ir gerai. vadinasi gali buti trumpinimai...

_________________
Moteris prie vairo - tai lyg zvaigzde danguje. Tu ja matai, o ji taves ne...


StandartinėParašytas: 30 Geg 2009, 17:25 
Atsijungęs
 Aprašymas  
 
 
Registracija:
2008.11.01
Pranešimai:
955
Automobiliai:
E36 325i m50 vanos coupe 93m.
E46 330i 01m.
cia tu apie variklio temperaturos davikli?jei apie ta pati tai jis su oro tempetaturos ir sklendes davikliu sujungtas kartu.visi 3 gauna 5 voltus is dme to pacio pin.


StandartinėParašytas: 31 Geg 2009, 02:48 
Atsijungęs
 Aprašymas  
 
 
Vartotojo avataras
Registracija:
2006.03.17
Amžius:
42
Pranešimai:
11113
Miestas:
Klaipėda
Automobiliai:
ex: E36 coupe 325 M50 vanos 94'
KIA 05' 2x2
ne ne, nera bendru laidu :) o kiti turi grystamus :)
zodziu eilini karta visa elektronika rodo, kad veikia viskas be priekaistu, bet priekaistu turiu :D megsinsiu diagnostika vel daryti, jei matantis tikrins, tada gal ka ir uztiks... dar atjungsiu akuma dienelei ir pavazinesiu savaitike, kad rastu viska ka reik.

_________________
Moteris prie vairo - tai lyg zvaigzde danguje. Tu ja matai, o ji taves ne...


StandartinėParašytas: 31 Geg 2009, 10:58 
Atsijungęs
 Aprašymas  
 
 
Vartotojo avataras
Registracija:
2007.03.17
Amžius:
37
Pranešimai:
3533
Miestas:
Vilnius
Automobiliai:
ex.E34 520 M20 89'
ex.mazda 323 BG
ex.Mazda 626 GE crashed
ex.E36 316 M43 94'
ex.Aubi B4 94'
ex.Nissan Primera 97'
Aubi A4 TDI
kaimynu lenku forume aptikau tokia kompo resetinimo schemele:
atjungi akumo klemas ir sujungi jas kartu,tada ijungi degima ir palaikai ~5min. isjungi degima klemas uzdedi i vieta.
cia jau bus ne butini dalykai: pirmu begiu uzspaudi iki redlaino ir leidi varikliui paciam letet (cia atseit,kad kompas susirinktu informacija apie visa darbo diapozona :D )
tai tiek :)
gal ne visai tiksliai pamenu,bet jei reikes rasiu ir atsusiu visa procesa

_________________
...nes tai BMW


StandartinėParašytas: 31 Geg 2009, 11:05 
Atsijungęs
 Aprašymas  
 
 
Vartotojo avataras
Registracija:
2006.03.17
Amžius:
42
Pranešimai:
11113
Miestas:
Klaipėda
Automobiliai:
ex: E36 coupe 325 M50 vanos 94'
KIA 05' 2x2
tai nebutina nieko sulietineti. o kompas mokinasi pastoviai. vaziuosi autostradoj, jis pagal tas apsukas ir greiti ir ismoks kura padavineti, tada masina gumine tokia buna, kai i miesta ivaziuoji kitaip vairuojasi. praeina kazkiek laiko, pavazineji miesto rezimu, vel kitaip dirba :) todel ir pries sporta kiti ant red palaksto, kad geriau gaza priimtu starto metu :)
kompa uztenka atjungta truputi palaikyti (arba akuma) ir +- per diena jis is naujo adaptuojasi. na ziurint kiek vaziuoji :)

o del temperaturos laidu, tai gal ir bendri jie is kompo, bet atgaliniai tikrai negali buti bendri, nes varzos skirtingos ir info vienodos kompas negali gauti, nebutu tolko :) bet jei skirtingi, tai jei ir blogas voltazas, tai to laido, kuris grystamas yra iki DME... bet rodo itampa, tik gal trumpina...

isknisiu po laideli, bet viestiek surasiu :)

_________________
Moteris prie vairo - tai lyg zvaigzde danguje. Tu ja matai, o ji taves ne...


Rodyti paskutinius pranešimus:  Rūšiuoti pagal  
Naujos temos kūrimas Atsakyti į temą  [ 56 pranešimai(ų) ]  Eiti į 1, 2, 3, 4  Kitas

Visos datos yra UTC + 2 valandos [ DST ]


Dabar prisijungę

Vartotojai naršantys šį forumą: Registruotų vartotojų nėra


Jūs negalite kurti naujų temų šiame forume
Jūs negalite atsakinėti į temas šiame forume
Jūs negalite redaguoti savo pranešimų šiame forume
Jūs negalite trinti savo pranešimų šiame forume
Jūs negalite prikabinti failų šiame forume

Ieškoti:
Pereiti į:  
Part of BMW Club Lithuania | Also visit BMW Club Gallery