Lietuvos BMW Klubas

Lietuvos BMW Klubo Forumas

Dabar yra 21 Kov 2026, 03:14

Visos datos yra UTC + 2 valandos [ DST ]


Forumo taisyklės


Čia aptariamos tik E34 modelio problemos, visa kita informacija bus be perspėjimo trinama.
Kuriant temas būtina nurodytį kėbulo koda laužtiniuose skliaustuose [], bei aiškiai įvardinti problemą temos pavadinime.



Naujos temos kūrimas Atsakyti į temą  [ 7 pranešimai(ų) ] 
Autorius Žinutė
StandartinėParašytas: 22 Geg 2009, 23:59 
Atsijungęs
 Aprašymas  
 
 
Vartotojo avataras
Registracija:
2007.10.10
Amžius:
48
Pranešimai:
160
Miestas:
Vilnius
Automobiliai:
ex 1994 m. E34 252tds
2000m. E46 320d 100 kW
Automobilio, apie kuri norite paklausti
Pagaminimo metai:1994
Variklis:2,5 tds
Degalai:dyzelinas

Problema/klausimas: gal kas nors gali pasakyti, ku randasi ventiliatoriaus rėlė (Nr.2), itariu, kad ji man s... mala. pas mane yra klimatronikas, tai sukinejant vidurini ratuka, ventiliatorius nereaguoja arba ijungus degima pucia visu pajegumu iskart.


Prikabinti failai:
11.png
11.png [ 16.04 KiB | Peržiūrėta 2477 kartus(ų) ]

_________________
"caca lialia masina, ..."
StandartinėParašytas: 23 Geg 2009, 14:19 
Atsijungęs
 Aprašymas  
 
 
Vartotojo avataras
Registracija:
2007.03.07
Amžius:
41
Pranešimai:
1046
Miestas:
Vilnius (Panevezys)
Automobiliai:
VW Scirocco 1.8 karbas '84 (duzo)
E34 520i Touring M50TU '93.10.28 (pard.)
E36 320i Coupe M50TU '94.06.15 (pard.)
E36 318i Sedan 92.05.18 (pard.)
VW Jetta 1.4 TSI 90kW 2015
VW Passat 1.4 TSI 92kW 2016
auto mygtuka isjungus tas pats?

_________________
Mašina ne prabanga. Prabanga - priemonės, reikalingos, kad ji važiuotų.


StandartinėParašytas: 23 Geg 2009, 19:32 
Atsijungęs
 Aprašymas  
 
 
Vartotojo avataras
Registracija:
2007.10.10
Amžius:
48
Pranešimai:
160
Miestas:
Vilnius
Automobiliai:
ex 1994 m. E34 252tds
2000m. E46 320d 100 kW
Berniux rašė:
auto mygtuka isjungus tas pats?

Taip. Girdisi kaip elektroniniai voztuvai uzsidarineja, o malunelis pucia visu pajegumu. visos valdymo mygtuko lemputes issijungineja, o jis pucia.

_________________
"caca lialia masina, ..."


StandartinėParašytas: 11 Gru 2009, 19:29 
Atsijungęs
 Aprašymas  
 
 
Vartotojo avataras
Registracija:
2007.10.10
Amžius:
48
Pranešimai:
160
Miestas:
Vilnius
Automobiliai:
ex 1994 m. E34 252tds
2000m. E46 320d 100 kW
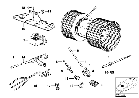
As anksciau rasiau apie rezistoriaus beda, tik ne apie ta rasiau, idedu paveiksliuka. Kas galetu pasakyti, kur randasi tas rezistorius Nr. 5 ???????


Prikabinti failai:
12.png
12.png [ 14.95 KiB | Peržiūrėta 2435 kartus(ų) ]

_________________
"caca lialia masina, ..."
StandartinėParašytas: 12 Gru 2009, 11:10 
Atsijungęs
 Aprašymas  
 
 
Vartotojo avataras
Registracija:
2008.12.08
Amžius:
40
Pranešimai:
184
Miestas:
Silale
Automobiliai:
E34 525 M50
keleivio pusej jei gerai pamenu


StandartinėParašytas: 12 Gru 2009, 12:38 
Atsijungęs
 Aprašymas  
 
 
Vartotojo avataras
Registracija:
2007.10.10
Amžius:
48
Pranešimai:
160
Miestas:
Vilnius
Automobiliai:
ex 1994 m. E34 252tds
2000m. E46 320d 100 kW
deklafosas rašė:
keleivio pusej jei gerai pamenu

jei tiksliau? ties kuria vieta?

_________________
"caca lialia masina, ..."


StandartinėParašytas: 12 Gru 2009, 16:13 
Atsijungęs
 Aprašymas  
 
 
Vartotojo avataras
Registracija:
2008.12.08
Amžius:
40
Pranešimai:
184
Miestas:
Silale
Automobiliai:
E34 525 M50
prie koju


Rodyti paskutinius pranešimus:  Rūšiuoti pagal  
Naujos temos kūrimas Atsakyti į temą  [ 7 pranešimai(ų) ] 

Visos datos yra UTC + 2 valandos [ DST ]


Dabar prisijungę

Vartotojai naršantys šį forumą: Registruotų vartotojų nėra


Jūs negalite kurti naujų temų šiame forume
Jūs negalite atsakinėti į temas šiame forume
Jūs negalite redaguoti savo pranešimų šiame forume
Jūs negalite trinti savo pranešimų šiame forume
Jūs negalite prikabinti failų šiame forume

Ieškoti:
Pereiti į:  
Part of BMW Club Lithuania | Also visit BMW Club Gallery