Lietuvos BMW Klubas

Lietuvos BMW Klubo Forumas

Dabar yra 27 Lap 2025, 06:56

Visos datos yra UTC + 2 valandos [ DST ]


Forumo taisyklės


Privaloma naudotis paieška!!! Pasikartojančios temos bus trinamos, o autoriai įspėjami.

Kuriant naują temą, jos PAVADINIME, būtina laužtiniuose skliaustuose [] nurodyti automobilio kėbulo kodą, bei aiškiai suformuluoti problemą. To nepadarius, temos bus trinamos, o autoriai gaus įspėjimą.
E34, E60, E61 turi atskirus forumus !!!



Naujos temos kūrimas Atsakyti į temą  [ 210 pranešimai(ų) ]  Eiti į Ankstesnis  1 ... 10, 11, 12, 13, 14
Autorius Žinutė
StandartinėParašytas: 22 Lap 2014, 16:35 
Atsijungęs
 Aprašymas  
 
 
Vartotojo avataras
Registracija:
2010.10.14
Amžius:
42
Pranešimai:
532
Miestas:
Vilnius
Automobiliai:
E39 525dA'02
Ex E39 530dA'01
Ex E46 330d'01
Tos šviesos tikrai ne prie ko

kuro padavimo rėlė nesuveikė del to ir neužsikūrė , kuo šalčiau bus tuo dažniau neužsikursi


StandartinėParašytas: 22 Lap 2014, 23:10 
Atsijungęs
 Aprašymas  
 
 
Vartotojo avataras
Registracija:
2012.01.18
Pranešimai:
1651
Miestas:
Vilnius
Automobiliai:
ex E39 530d M57 '99
ex SAAB 9-5 1.9 TiD '09
Cadillac ATS '19
Skype:
einoras.r
makasa rašė:
Man siandien sustojus prie pardes apsipirkt masinuke neuzsikure,visai starteris nesuka,galvoju sakes akumui nors reles neklaksejo(anksciau kaip nusesdavo akumas ie nesikurdavo tai reles klaksedavo).aTVARIUS DRAUGELIUI UZMETAM LAIDUS VISTIEK NESUKA STARTERIS,tada draugelis sako pamirksek ilgom sviesom ir tada kurk,nu po to ir uzsikure,ka tai galetu rekst.


Starterio solenoidą keičiam.

_________________
Šiuolaikinį BMW sudaro apie 30000 detalių...


StandartinėParašytas: 29 Lap 2014, 12:46 
Atsijungęs
 Aprašymas  
 
 
Vartotojo avataras
Registracija:
2007.06.24
Amžius:
37
Pranešimai:
793
Miestas:
Kaunas
Automobiliai:
E39 525d
makasa rašė:
Man siandien sustojus prie pardes apsipirkt masinuke neuzsikure,visai starteris nesuka,galvoju sakes akumui nors reles neklaksejo(anksciau kaip nusesdavo akumas ie nesikurdavo tai reles klaksedavo).aTVARIUS DRAUGELIUI UZMETAM LAIDUS VISTIEK NESUKA STARTERIS,tada draugelis sako pamirksek ilgom sviesom ir tada kurk,nu po to ir uzsikure,ka tai galetu rekst.

Sveikas, ar susitvarkei sita problema? Man siandien tas pats ivyko, tai nezinau nuo ko pradet. Gal jau issiardei starteri? Ar sunkiai prie jo priejai, ka toliau darei? Papasakok truputi

_________________
Passion in something that you love can help to make the world smaller to the size that you can handle by yourself to reduce the world smaller to only one path, one destination or just one person to look forward to...[Buakaw Por. Pramuk]


StandartinėParašytas: 30 Lap 2014, 09:25 
Atsijungęs
 Aprašymas  
 
 
Registracija:
2006.02.18
Amžius:
54
Pranešimai:
52
Miestas:
Alytusp
Nieko as dar nedariau,daugiau tokio bajerio nebuvo, palauksiu ilgiau paziuresiu ar kartosis.


StandartinėParašytas: 30 Lap 2014, 17:55 
Atsijungęs
 Aprašymas  
 
 
Vartotojo avataras
Registracija:
2012.01.18
Pranešimai:
1651
Miestas:
Vilnius
Automobiliai:
ex E39 530d M57 '99
ex SAAB 9-5 1.9 TiD '09
Cadillac ATS '19
Skype:
einoras.r
rG rašė:
Sveikas, ar susitvarkei sita problema? Man siandien tas pats ivyko, tai nezinau nuo ko pradet. Gal jau issiardei starteri? Ar sunkiai prie jo priejai, ka toliau darei? Papasakok truputi


Vėlgi sakau-reikia keisti starterio solenoidą.

_________________
Šiuolaikinį BMW sudaro apie 30000 detalių...


StandartinėParašytas: 01 Gru 2014, 23:15 
Atsijungęs
 Aprašymas  
 
 
Registracija:
2006.02.18
Amžius:
54
Pranešimai:
52
Miestas:
Alytusp
Neturiu mados iskart keisti,palauksiu ir paziuresiu jei kartosis pakeisiu.Pries sita auto turejau E34 tai kai nusipirkau irgi kelis kartus starteris buvo sudurneves,bet atvazinejau 8metus ir pridaviau y srota,o starterio taip ir netvarkiau,gal ir dabar to neprireiks.Kad,tik kur toli nuo namu neuzkluptu si beduke tfu,tfu,tfu :)


StandartinėParašytas: 01 Gru 2014, 23:40 
Atsijungęs
 Aprašymas  
 
 
Vartotojo avataras
Registracija:
2012.01.18
Pranešimai:
1651
Miestas:
Vilnius
Automobiliai:
ex E39 530d M57 '99
ex SAAB 9-5 1.9 TiD '09
Cadillac ATS '19
Skype:
einoras.r
makasa rašė:
Neturiu mados iskart keisti,palauksiu ir paziuresiu jei kartosis pakeisiu.Pries sita auto turejau E34 tai kai nusipirkau irgi kelis kartus starteris buvo sudurneves,bet atvazinejau 8metus ir pridaviau y srota,o starterio taip ir netvarkiau,gal ir dabar to neprireiks.Kad,tik kur toli nuo namu neuzkluptu si beduke tfu,tfu,tfu :)


Vieną kartą tiesiog nebesuks starteris ir viskas. Solenoidas kainuoja 85 lt naujas Magneti Marelli, nuėmęs starterį dar peržvelgsi šepetukus ir būsi ramus, kad tvarka. O čia sutaupysi dabar, o paskui kai reikės iš kokio kaimo vilkti arba ant tralo vežti mašiną keiksi visus ir viską.

Trūksta solenoido korpusas ir kuo daugiau vandens patenka į jį, tuo greičiau diskai užsioksiduoja ir vedant kibirkščiuoja, ko pasekoje sudega ir visai nebekontaktuoja. Pradeda nebesukti dažniausiai pačiu nepalankiausiu momentu (pas močiutę kaime, miške žvejyboje, ar Xbieryškyje 3 val nakties kai buvai sustojęs degalinėje nusipirkti kavos, kad greičiau į žmonos sušildytą lovą atvažiuotum).

_________________
Šiuolaikinį BMW sudaro apie 30000 detalių...


StandartinėParašytas: 30 Gru 2014, 11:51 
Atsijungęs
 Aprašymas  
 
 
Vartotojo avataras
Registracija:
2014.10.08
Amžius:
37
Pranešimai:
16
Miestas:
Vilnius
Automobiliai:
E39 525dA M57-D25 '02
Automobilis: [E39] 525d 2002m.

Turiu problema - nevisada sildomos pakaitinimo zvakes kai to prireikia.
Tarkim is ryto prie -12 uzkuriu automobili, kad isleist kita kieme stovinti auto, kuriasi is karto (visos pakaitinimo zvakes buvo pakeistos pries ziema). Po 30minuciu ateinu, kad vaziuoti i darba, pakaitinimo zvakes uzsidega, gal 1-2s ir uzgesta, automobilis uzsikuria, bet iskarto uzgesta. Uzkurti pavyksta tik po 3-5 bandymu ir siektiek pagazavus. Mano manymu apie minute anksciau padirbes variklis negalejo isilti tiek, kad po to stovint pusvalandi kurtis be pakaitinimo zvakiu.
Vakar automobilis stovejo lauke 8 valandas nekurtas ir kai norejau vaziuoti namo (lauke - 8 , vel pakaitinimo zvakiu indikatorius uzsidege tik 1-2s, ir vel sunkiai kuriasi.
Ar tai normalu, kad prie salciu nesuveikiai pakaitinimo zvakes? Dar pastebejau, kad taip vyksta kai temperaturos rodykle ijungus degima vos vos pasikelia melynoje zonoje.


StandartinėParašytas: 30 Gru 2014, 15:21 
Atsijungęs
 Aprašymas  
 
 
Vartotojo avataras
Registracija:
2008.04.03
Amžius:
49
Pranešimai:
8032
Miestas:
Klaipėda
Automobiliai:
g30 530e B48 hybrid '18
o tu paskaityk sia tema, ir suzinosi kaip veikia pakaitinimas.

_________________
БМВ – Б ойтесь М еня В ёдра


StandartinėParašytas: 30 Gru 2014, 20:14 
Atsijungęs
 Aprašymas  
 
 
Vartotojo avataras
Registracija:
2014.10.08
Amžius:
37
Pranešimai:
16
Miestas:
Vilnius
Automobiliai:
E39 525dA M57-D25 '02
Perskaiciau, pakaitinimo zvakes turi suveikti jeigu ausinimo skyscio temperatura zemesne negu 5 laipsniai. Siandien po 7val stovejimo, pagal skydelio testa, ausinimo skyscio temperatura buvo 12 laipsniu, zvakes nesuveike, bet automobilis uzsikure, bet kuri laika dirbo netolygiai.
Panasu, kad problema atsiranda, kai ausinimo skyscio temp yra arti 5 laipsniu (siek tiek aukstesne).

Pajungus kompa radau tik viena klaida, EGR Control 1028, prie apsuku 1923, variklio temp. 82
Ziurejau dar, purkstuku korekcijas:
1. -2,41
2. -2,60
3. 0,84
4. 0,56
5. 4,67
6. -1,58

Ar galetu blogai vestis del purkstuku (ypac NR5)


StandartinėParašytas: 30 Gru 2014, 20:53 
Atsijungęs
 Aprašymas  
 
 
Vartotojo avataras
Registracija:
2008.04.03
Amžius:
49
Pranešimai:
8032
Miestas:
Klaipėda
Automobiliai:
g30 530e B48 hybrid '18
manau galetu. paziurek koks spaudimas reile vedant, gal reikia purkstuku "leak off test" padaryti (galima paciam garazo salygose).

_________________
БМВ – Б ойтесь М еня В ёдра


StandartinėParašytas: 30 Gru 2014, 23:01 
Atsijungęs
 Aprašymas  
 
 
Vartotojo avataras
Registracija:
2013.09.25
Pranešimai:
1558
Miestas:
Kaunas
Automobiliai:
E39 530da 142kw
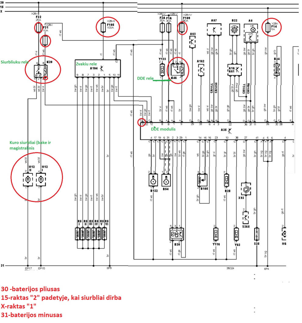
ARman880, "PRE-HEATING" dega skydelyje ir be pakaitinimo zvakiu reles (eksperimentavom be jos).....ir be zvakiu degtu :mrgreen:
atskirais kanalais valdomas tas uzrasas ir rele
Nesivedimo priezastis slepiasi cia
Prikabintas failas:
schema11.jpg
schema11.jpg [ 117.28 KiB | Peržiūrėta 11472 kartus(ų) ]


StandartinėParašytas: 30 Gru 2014, 23:17 
Atsijungęs
 Aprašymas  
 
 
Vartotojo avataras
Registracija:
2014.10.08
Amžius:
37
Pranešimai:
16
Miestas:
Vilnius
Automobiliai:
E39 525dA M57-D25 '02
Pas mane tas mazas ekraniukas skydelyje, tai uzsidega pakaitinimo zvakiu lempute :)
O paprasciau galima? Nes deje nesu elektrikas


StandartinėParašytas: 11 Kov 2015, 13:22 
Atsijungęs
 Aprašymas  
 
 
Vartotojo avataras
Registracija:
2006.03.21
Amžius:
38
Pranešimai:
869
Miestas:
Vilnius
Automobiliai:
Buvo:
E46 330d '04
E46 330d '02
E46 320d '00
E36 325tds '98
E46 330d '00
E36 328i '95
E36 320i '94
EfkaIII rašė:
Kas žinote kaip nusiima nuo forsiunkių numetime plasmasiniai jungtukai, nes užsienio forumuose apie juos šneka kad labai trapūs.... [-o< Gal kokie fiksatoriai yra :?:
Išsami info būtų privalumas ir rašykite tik žinantys arba susidūrę su šiuo darbu.

:arrow:

Rezultatai ir darbo eiga (gal kam prireiks kaip ir man :shock: )


1. Grįžtamo nuėmimas ir fiksatorių ištraukimas
Paveikslėlisuo

2. Pasiruošimas: tara 0,4ltr nuo mineralinio , kamščiuose daromos 2 skylės - viena alsavimui, kita pagal žarną (6mm)
Paveikslėlis

3. Priėjimas prie forsunkių :

Paveikslėlis

Paveikslėlis

4. Darom prijungimus prie forsunkių :

Paveikslėlis

Paveikslėlis

Paveikslėlis

5. Testo pradžia . Pastebėta kad iš 3-ios forsunkės , tik įjungus degimą (bet neužvedus!!!) pradėjo skverbtis per žarnelę kuras :

Paveikslėlis

6. Testo pabaiga. Tik 4 minutės !!!, nes prisipildė bevei pilna tara :

Paveikslėlis

7. Rezultatai . Aiškinti ir nebereikia - 3 purkštukas praleidžia daugiau nei reikia. Kitos porcijos apyligės :

Paveikslėlis



Nu ka, belieka iš jūsu sulaukti instrukcijos kaip išimti purkštuką (p.s. oro kolektoriaus nuėmimas žinomas)


Kur pirkti zarneles ir kokiu jos ismatavimu: 6mm isore, o vidus? Tvirtinant prie purkstuko tiesiog uzsimauti turi ir viskas?

_________________
3


StandartinėParašytas: 12 Kov 2015, 12:29 
Atsijungęs
 Aprašymas  
 
 
Registracija:
2008.06.13
Amžius:
49
Pranešimai:
8325
Miestas:
Rumšiškės
Darant si testa jei ijungus degima matot kad kazkurio cilindro butelis jau pradeda pildytis tai kaip ir ner tikslo toliau terliotis keiciam be parkiu praleidzianti purkstuka.


Rodyti paskutinius pranešimus:  Rūšiuoti pagal  
Naujos temos kūrimas Atsakyti į temą  [ 210 pranešimai(ų) ]  Eiti į Ankstesnis  1 ... 10, 11, 12, 13, 14

Visos datos yra UTC + 2 valandos [ DST ]


Dabar prisijungę

Vartotojai naršantys šį forumą: Registruotų vartotojų nėra


Jūs negalite kurti naujų temų šiame forume
Jūs negalite atsakinėti į temas šiame forume
Jūs negalite redaguoti savo pranešimų šiame forume
Jūs negalite trinti savo pranešimų šiame forume
Jūs negalite prikabinti failų šiame forume

Ieškoti:
Pereiti į:  
Part of BMW Club Lithuania | Also visit BMW Club Gallery