Lietuvos BMW Klubas

Lietuvos BMW Klubo Forumas

Dabar yra 16 Kov 2026, 07:48

Visos datos yra UTC + 2 valandos [ DST ]


Forumo taisyklės


Čia aptariamos tik E34 modelio problemos, visa kita informacija bus be perspėjimo trinama.
Kuriant temas būtina nurodytį kėbulo koda laužtiniuose skliaustuose [], bei aiškiai įvardinti problemą temos pavadinime.



Naujos temos kūrimas Atsakyti į temą  [ 13 pranešimai(ų) ] 
Autorius Žinutė
StandartinėParašytas: 15 Kov 2008, 14:20 
  
 
 
Automobilio, apie kuri norite paklausti
Pagaminimo metai:1991
Variklis:m50b25
Degalai:benzinas

Problema/klausimas:
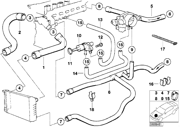
bandziau ieskoti forume panasios bedos bet neradau. tad tokia problema kilo - nutruko zarna piesinyje pazymeta nr 13 .
Prikabintas failas:
radiatorius.png
radiatorius.png [ 16.42 KiB | Peržiūrėta 13257 kartus(ų) ]
servise ja prikabino, pripyle ausinimo skycio apie 8 litrus, tipo nuorino patare stebeti ar nekyla temperatura.
temperatura kilti nepradejo, bet po tvarkymo pravaziavau apie 200 km ir informacinej eiluteje pradejo mesti pranesima "kuhlwasserstand" tipo truksta ausinimo skyscio, skyscio papildziau, bet vistiek meta mineta pranesima "kuhlwasserstand".
klausimas yra toks kokiu problemu galiu sulaukti jei nieko nedarysiu?


StandartinėParašytas: 15 Kov 2008, 19:07 
Atsijungęs
 Aprašymas  
 
 
Vartotojo avataras
Registracija:
2007.05.29
Amžius:
37
Pranešimai:
153
Miestas:
Vilnius
Automobiliai:
[ex]bmw E34 525i 24V
Now: Superb 04 ; 1,9 TDI 96kw
1.Uzkaitinsi varikli.. ziurek vel ta slanga gali leisti per sijunkgimus


StandartinėParašytas: 15 Kov 2008, 19:26 
Atsijungęs
 Aprašymas  
 
 
Vartotojo avataras
Registracija:
2006.06.13
Amžius:
48
Pranešimai:
657
Miestas:
Europos bendrija
Automobiliai:
ex E12 M10B18 '80
ex E34 M20B25 '90
ex E34 M20B20 '89
ex E32 M30B30 '93
ex E39 M57 '02
F11 B47 '17
Skype:
anekdotas1
dėl skysčio trūkumo da pareina tas davikliukas, kur radiatoriuj matuoja lygį. pasikeisk

_________________
Baisiai Mandras Wairuotojas


StandartinėParašytas: 15 Kov 2008, 19:34 
Atsijungęs
 Aprašymas  
 
 
Vartotojo avataras
Registracija:
2005.08.02
Amžius:
38
Pranešimai:
911
Miestas:
Kaunas
Automobiliai:
E36 316i M43 '98 Touring
E34 525i M50 '93
Jei tau meta sia klaida, dar nereiskia, kad kazkas netvarkoj. Turi atkreipt demesi, bet gali tiesiog durniuot daviklis arba jis galejo uzstrigt ausinimo skyscio lygio svyravimu.

_________________
Ryžtingas žingsnis į priekį — gero spyrio į užpakalį rezultatas.


StandartinėParašytas: 15 Kov 2008, 23:04 
Atsijungęs
 Aprašymas  
 
 
Vartotojo avataras
Registracija:
2007.11.03
Amžius:
39
Pranešimai:
553
Miestas:
¨¯¯¨˜“ª¤Klaipeda¤ª“˜¨¯¯
Automobiliai:
BMW E32 730iA M30 89m
cia aisq kad durniuoja dawiklis,nes man kartais reguliarei ismeta ta uzrasa nors su ausinimo skysciu wiskas ok

_________________
Kodėl mano alkoholinėje sistemoje tiek daug kraujo?...


StandartinėParašytas: 16 Kov 2008, 23:25 
  
 
 
daviklis yra detale nr 13?


Prikabinti failai:
radiatorius.png
radiatorius.png [ 11.78 KiB | Peržiūrėta 13105 kartus(ų) ]
StandartinėParašytas: 17 Kov 2008, 00:07 
Atsijungęs
 Aprašymas  
 
 
Vartotojo avataras
Registracija:
2007.11.03
Amžius:
39
Pranešimai:
553
Miestas:
¨¯¯¨˜“ª¤Klaipeda¤ª“˜¨¯¯
Automobiliai:
BMW E32 730iA M30 89m
bet reikia wiska isleisti norint ji pakeisti?

_________________
Kodėl mano alkoholinėje sistemoje tiek daug kraujo?...


StandartinėParašytas: 17 Kov 2008, 16:16 
Atsijungęs
 Aprašymas  
 
 
Vartotojo avataras
Registracija:
2006.07.25
Amžius:
47
Pranešimai:
1352
Miestas:
Vilnius
Tu pradzioje pravalyk daviklio fiske, man padejo


StandartinėParašytas: 17 Kov 2008, 23:38 
  
 
 
Daumantas rašė:
Tu pradzioje pravalyk daviklio fiske, man padejo

Daumantai paaiskink kur yra daviklio fiske?
toki klausima uzduodu nes esu absoliutus analfabetas automobiliu prieziuros srityje.


StandartinėParašytas: 18 Kov 2008, 09:42 
Atsijungęs
 Aprašymas  
 
 
Vartotojo avataras
Registracija:
2006.06.13
Amžius:
48
Pranešimai:
657
Miestas:
Europos bendrija
Automobiliai:
ex E12 M10B18 '80
ex E34 M20B25 '90
ex E34 M20B20 '89
ex E32 M30B30 '93
ex E39 M57 '02
F11 B47 '17
Skype:
anekdotas1
"fiškė" yra laidų jungtis daviklio apačioje

_________________
Baisiai Mandras Wairuotojas


StandartinėParašytas: 19 Kov 2008, 17:46 
Atsijungęs
 Aprašymas  
 
 
Registracija:
2008.02.27
Pranešimai:
92
Automobiliai:
E34 525 M50 91'
Prie topacio, pas mane laidas ateina iki radiatoriaus su ijungimu i fiske, bet radiatoriuje nera fyskes, tiesiog uzglusinta ten, ka padaryti kad pastoviai nemestu to pranesimo? Ar uztektu tiesiog sujungti to ijungimo galus tarpusavyje, taprasme uztrumpint laida?


StandartinėParašytas: 31 Kov 2008, 21:09 
Atsijungęs
 Aprašymas  
 
 
Vartotojo avataras
Registracija:
2006.10.20
Amžius:
38
Pranešimai:
3393
Miestas:
Vilnius
Automobiliai:
ex E32 735 86`
ex E34 525 89`
ex E34 520 89`
ex E34 525tds 93`
ex E36 318IS 93`
ex E39 528IA 98` Shadowline
ex E34 525i Touring 93`
ex E64 645CI 04` Manual
E39 525d 03`
E61 530XD 06`
Skype:
solidnas
Man ta pati problema su tuo uzrasu,skyscio visada pakankamai,pastoviai pradzioje tikrinau,dabar sis uzrasas jau iprasta,reikia pasikeisti davikli,svarbiausia stebeti variklio temperaturos rodykle skydelyje.


StandartinėParašytas: 11 Bal 2008, 20:54 
Atsijungęs
 Aprašymas  
 
 
Vartotojo avataras
Registracija:
2007.02.17
Amžius:
49
Pranešimai:
280
Miestas:
Rauma
Automobiliai:
E61 07 M-sport
Nuresetink klaidos yr bus tau laime =))


Rodyti paskutinius pranešimus:  Rūšiuoti pagal  
Naujos temos kūrimas Atsakyti į temą  [ 13 pranešimai(ų) ] 

Visos datos yra UTC + 2 valandos [ DST ]


Dabar prisijungę

Vartotojai naršantys šį forumą: Registruotų vartotojų nėra


Jūs negalite kurti naujų temų šiame forume
Jūs negalite atsakinėti į temas šiame forume
Jūs negalite redaguoti savo pranešimų šiame forume
Jūs negalite trinti savo pranešimų šiame forume
Jūs negalite prikabinti failų šiame forume

Ieškoti:
Pereiti į:  
Part of BMW Club Lithuania | Also visit BMW Club Gallery