Lietuvos BMW Klubas

Lietuvos BMW Klubo Forumas

Dabar yra 20 Lap 2025, 00:36

Visos datos yra UTC + 2 valandos [ DST ]


Forumo taisyklės


Čia aptariamos tik E46 modelių problemos, visa kita informacija bus be perspėjimo trinama.
Kuriant temas būtina nurodytį kėbulo koda laužtiniuose skliaustuose [], bei aiškiai įvardinti problemą temos pavadinime.



Naujos temos kūrimas Atsakyti į temą  [ 115 pranešimai(ų) ]  Eiti į Ankstesnis  1 ... 4, 5, 6, 7, 8
Autorius Žinutė
StandartinėParašytas: 05 Rgs 2013, 14:24 
Atsijungęs
 Aprašymas  
 
 
Vartotojo avataras
Registracija:
2008.10.25
Pranešimai:
2433
Miestas:
Marijampolė
Automobiliai:
E90 318d M47TU2 BiTurbo
ex E46 320d M47
ex E34 535i M30
ex E46 318i M43
rDx^ rašė:
ką ten tiksliai nuardyt reik kad jį ištraukt ?


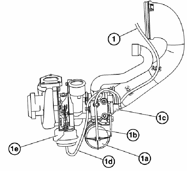
Pas mane kitoks variklis tai negaliu tiksliai nupasakot, bet turetu uztekt nuimt ortaki einanti i oro filtra ir gal dar nuo oro filtro i turbina. Pridedu paveiksliuka ka turi pasiekt (tave domina 1c)


Prikabinti failai:
Untitled.jpg
Untitled.jpg [ 73.78 KiB | Peržiūrėta 10413 kartus(ų) ]
StandartinėParašytas: 05 Rgs 2013, 14:45 
Atsijungęs
 Aprašymas  
 
 
Vartotojo avataras
Registracija:
2009.02.18
Amžius:
37
Pranešimai:
3760
Miestas:
Vilnius
Automobiliai:
ex E46 330d
Golf Variant
2019 1.5TSI 130H DSG
ok dėkui, ieškosiu

_________________
///M3


StandartinėParašytas: 25 Rgs 2013, 00:59 
Atsijungęs
 Aprašymas  
 
 
Registracija:
2013.02.16
Pranešimai:
3
Automobiliai:
E46 320d '98
Pas mane 2.0d 100kw netraukia, turbina uzsipucia tik nuo 3 tukst apsuku, pasiekia 3 tukst lb letai, uzsiputus turbinai trauka buna lb gera. Ramiai pavazinejus viska reikia kartoti nes trauka vel dingsta. Pakeistas turbinos valdymo voztuvas ( salenoidas) nes kompas rode problema jame, nepadejo. Rode klaida su OSM, bet ja istrynus ir pavazinejus jos neberode. Matuokle buvom atjunge , trauka nesikeicia, egr uzglusintas. Vakumas yra. Ka dar reiktu ziureti ? Gal pasikeisti OSM nors kompas neberodo bedos joje ? Siandien vaziuojant autostrada turbina labai retai uzsipusdavo net nuo 3 tukst apsuku.


StandartinėParašytas: 25 Rgs 2013, 13:01 
Atsijungęs
 Aprašymas  
 
 
Vartotojo avataras
Registracija:
2010.09.29
Amžius:
35
Pranešimai:
299
Miestas:
Kaunas
Automobiliai:
'98 E46 320d M47 ex
'06 E61 525d M57 ex
‘07 E61 530xd M57 ex
‘08 E87 118d N47 ex
‘09 E90 320d N47 ex
‘09 E61 525d MTech M57 ex
‘05 E91 320d M47
Jeigu atjunget OSM ir trauka nepasikeitė, tai joje ir bus bėda


StandartinėParašytas: 06 Geg 2014, 00:18 
Atsijungęs
 Aprašymas  
 
 
Vartotojo avataras
Registracija:
2013.05.02
Pranešimai:
196
Automobiliai:
now: E39 530D '01
ex: E46 320D '98
BMW 320D 100kw
Labas fanai susiduriau su problema, buvo taip kad vaziavau viskas ok, sustojau sankryzoje pamaciau melyna duma is duslintuvo, truputi daviau gazo ir nuo 1000iki 2000apsuku ja visa purte ir mete melyna duma davus tapke tik iki 2, 3 apauku ir niekur, taip pat ir netraukia tupa masina ir viskas, sustojau aiksteleje uzgesinau palaukiau uzvedziau lyg nieko nebutu, gazuoji kiek nori,nesipurto ir traukia.
Po poros h vel tas pats vaziavau, sustojau, pagazavus nuo 1000iki 2000 apsuku visa purtos ir meta melyna duma, netraukia.
Uzgesinau pora min praejo uzvedziau, lyg nieko nebuta viskas ok.
P.S. Anksciau ties 130 uzmynus dugna budavo kad dingdavo trauka ir veliau vel atsirasdavo. Galvojau srauto matuokle pastaciau kita vistiek ira pravalas sioks toks, siurblys bus?ir jei siublyje ar kuro filtro problema kodel tada meta melyna duma ir duslintuvo?

Kame gali but beda? Ar ruostis turbinos restauracijai? Ar kuro filtras? Siurblys?(kurioje vietoje jis randasi) Srauto matuokle?

Gal zinot gera diagnostika Vilniuje kuris padetu issprest problema ir neluptu simtais ?


StandartinėParašytas: 06 Geg 2014, 02:29 
Atsijungęs
 Aprašymas  
 
 
Registracija:
2011.09.16
Pranešimai:
161
Automobiliai:
E46 318d m47 '02
Is Vilniau esu. Galiu pasiulyt diagnostika uz 2 butelius alaus :D diagnostika butu paprastas klaidu nuskaitymas su inpa. Manau turetu parodyt kas blogai :)


StandartinėParašytas: 06 Geg 2014, 15:32 
Atsijungęs
 Aprašymas  
 
 
Vartotojo avataras
Registracija:
2013.05.02
Pranešimai:
196
Automobiliai:
now: E39 530D '01
ex: E46 320D '98
Na pasikeiciau filtra kuro lyg ir geriau dumo nemeta melyno nebent vos vos ir tai ant dideliu apsuku( cia iskart pakeitus) pavazinesiu pamatysiu, bet vat trauka dingsta, buna toks jausmas kaip srauto matuokle, apsukos labai leta ikyla, buna kad ir normaliai traukia. Pradejus netraukt atjungiau srauto matuokle efektas tas pats, pajungiau vel normaliai traukt pradejo, ar nejaugi ji sugedo ir buna tai isijungia tai ne?

P.S. Dariau parasiau tau.


StandartinėParašytas: 01 Bir 2014, 15:17 
Atsijungęs
 Aprašymas  
 
 
Registracija:
2014.06.01
Pranešimai:
6
Automobiliai:
BMW 320d. 2002m. 110kw universalas.
BMW 320d E46 2002m 110kw
sveiki man beda kaip ir ta pati netraukia masina. Pirkau masina jau su tokiu defektu, pries perkant buvo pakeista turbina. Kompa pajunge rodo kad turbina pucia bet masina netraukia, EGR'a uzglusinus niekas nepasikeicia.
Trauka prasideda tik nuo 3000apsuku.
Gal kas yra susidure su tokia beda ir zino kame reikalas cia?


StandartinėParašytas: 09 Bir 2014, 01:05 
Atsijungęs
 Aprašymas  
 
 
Registracija:
2013.10.29
Pranešimai:
12
Sveiki, toks dalykas su 110kw M47N, diena vazinejau trauka buvo gera, pastacius masina po 2valandu uzkurus traukos nebera, negrazus uzimas prasideda nuo tada, kai pradeda suktis turbina, meta balta duma. Toks klausimas ar negali buti, kad cia nuo turbo i interkuleri zarna bus nuejus ar cia jau turbina pabyrejo? Gal kam taip pat buvo ir turi patarimu.


StandartinėParašytas: 10 Bir 2014, 19:30 
Atsijungęs
 Aprašymas  
 
 
Registracija:
2014.06.10
Amžius:
29
Pranešimai:
4
Miestas:
Rokiškis
Automobiliai:
BMW 320d 100kw E46
Skype:
ignasl.
Sveiki, turiu bmw E46 320d 100kw. iškilo problema. Seniau budavo kartais uzeina,bet po kiek laiko susitvarko. Dabar uzkurus ant laisvu ji dumija baltais dumais. traukos išviso nebera,apsukos daugiau 2nepakila. 5begiu vaziuoju 100 ir daugiau niekaip negaliu užkelti. Ijungus zemesne pavara iskart isveta kamuoli baltu,aitriu dumu. Stovint ant laisvu jaučiasi lyg ir nesudegintu kuro,o dumai labai graužia akis. Ačiū už pagalbą.


Rodyti paskutinius pranešimus:  Rūšiuoti pagal  
Naujos temos kūrimas Atsakyti į temą  [ 115 pranešimai(ų) ]  Eiti į Ankstesnis  1 ... 4, 5, 6, 7, 8

Visos datos yra UTC + 2 valandos [ DST ]


Dabar prisijungę

Vartotojai naršantys šį forumą: Registruotų vartotojų nėra


Jūs negalite kurti naujų temų šiame forume
Jūs negalite atsakinėti į temas šiame forume
Jūs negalite redaguoti savo pranešimų šiame forume
Jūs negalite trinti savo pranešimų šiame forume
Jūs negalite prikabinti failų šiame forume

Ieškoti:
Pereiti į:  
Part of BMW Club Lithuania | Also visit BMW Club Gallery