Lietuvos BMW Klubas

Lietuvos BMW Klubo Forumas

Dabar yra 22 Lap 2025, 19:04

Visos datos yra UTC + 2 valandos [ DST ]




Naujos temos kūrimas Atsakyti į temą  [ 2971 pranešimai(ų) ]  Eiti į Ankstesnis  1 ... 62, 63, 64, 65, 66, 67, 68 ... 199  Kitas
Autorius Žinutė
StandartinėParašytas: 26 Rgs 2011, 17:57 
Atsijungęs
 Aprašymas  
 
 
Registracija:
2009.11.30
Pranešimai:
16
Miestas:
Vilnius
Automobiliai:
E36 318i Touring
itchy rašė:
Automobilio, apie kuri norite paklausti
Pagaminimo metai: 1996
Variklis: 1.8
Degalai: Benzinas

Problema/klausimas: Ar esat kas pirke i E36 salono filtra su aktyvinta anglim ir kur? Gerai butu Vilniuj. Perejau 3 parduotuves, pas visus tik paprasti filtrai.


Nupirkta čia http://www.kgk.lt


StandartinėParašytas: 02 Spa 2011, 14:42 
Atsijungęs
 Aprašymas  
 
 
Vartotojo avataras
Registracija:
2006.07.12
Amžius:
40
Pranešimai:
435
Miestas:
Kaunas
Automobiliai:
E39 530d touring EX
F11 520d touring
Nikas:
gizmo
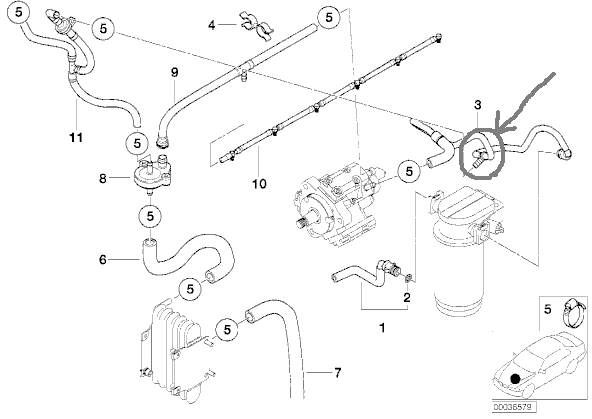
kur galima gauti ta detale apibrezta raudonai ir kiek ji gali kainuoti,bent jau apytiksliai
http://imageshack.us/photo/my-images/853/r1022055.jpg/


StandartinėParašytas: 03 Spa 2011, 21:31 
Atsijungęs
 Aprašymas  
 
 
Registracija:
2011.02.27
Amžius:
40
Pranešimai:
34
Miestas:
Kaunas
Automobiliai:
00' E39 530d ACS
30 lt bet is stiklo audinio ir gali siek tiek prisileist reiket



gizmo rašė:
kur galima gauti ta detale apibrezta raudonai ir kiek ji gali kainuoti,bent jau apytiksliai
http://imageshack.us/photo/my-images/853/r1022055.jpg/

_________________
Beer.Money.Women


StandartinėParašytas: 05 Spa 2011, 01:39 
Atsijungęs
 Aprašymas  
 
 
Vartotojo avataras
Registracija:
2006.07.12
Amžius:
40
Pranešimai:
435
Miestas:
Kaunas
Automobiliai:
E39 530d touring EX
F11 520d touring
Nikas:
gizmo
ignasas rašė:
30 lt bet is stiklo audinio ir gali siek tiek prisileist reiket






o cia pas tave galima gauti,ar tu tik zinai kur ???


StandartinėParašytas: 05 Spa 2011, 21:05 
Atsijungęs
 Aprašymas  
 
 
Registracija:
2011.02.27
Amžius:
40
Pranešimai:
34
Miestas:
Kaunas
Automobiliai:
00' E39 530d ACS
pas mane


gizmo rašė:


o cia pas tave galima gauti,ar tu tik zinai kur ???

_________________
Beer.Money.Women


StandartinėParašytas: 08 Spa 2011, 17:38 
Atsijungęs
 Aprašymas  
 
 
Vartotojo avataras
Registracija:
2007.08.12
Amžius:
42
Pranešimai:
434
Miestas:
Vilnius
Automobiliai:
E70 X5 N62 07'
ex BMW:
E39 530d M57 03'
E39 520i M52 97'
E30 318 M10 84'
Gal žinote, kur Panevėžyje gauti pažymėtą detalę (plastmasinis trišakis prie siurblio)?
Krasta atskirai neparduoda.
Ar kas gal ardote auto ir turite dalį?


Prikabinti failai:
48.png
48.png [ 16.93 KiB | Peržiūrėta 9373 kartus(ų) ]

_________________
Turtingas ne tas, kuris daug uždirba, o tas, kuris mažai išleidžia.
StandartinėParašytas: 18 Spa 2011, 19:52 
Atsijungęs
 Aprašymas  
 
 
Registracija:
2007.03.10
Pranešimai:
253
Miestas:
Panevezys
Automobiliai:
E32 730v8 93'
E46 320d M47 00'
Blazis rašė:
Gal žinote, kur Panevėžyje gauti pažymėtą detalę (plastmasinis trišakis prie siurblio)?
Krasta atskirai neparduoda.
Ar kas gal ardote auto ir turite dalį?

Tai gal Gustonyse,nebandei ten ieskot :?:

_________________
[[]] ][{


StandartinėParašytas: 18 Spa 2011, 20:24 
Atsijungęs
 Aprašymas  
 
 
Registracija:
2009.03.26
Pranešimai:
17
Automobiliai:
E46 330d
sorry, truputi ne i tema.
gal kas i cia esanciu zinote forumiecio vytas123 kontaktini tel nr?


StandartinėParašytas: 23 Spa 2011, 15:42 
Atsijungęs
 Aprašymas  
 
 
Vartotojo avataras
Registracija:
2009.11.01
Pranešimai:
910
Automobiliai:
E39 523i
E46 330Ci
E53 4.6is
O as norejau pasiteiraut is kur atkeliauja Geltoni OEM like ccfl Andzelos akys?
Cia randat ar visi siunciasi? :)

_________________
If It's Got Tits Or Tires, Sooner Or Later You Are Gonna Have Trouble!


StandartinėParašytas: 23 Spa 2011, 21:45 
Atsijungęs
 Aprašymas  
 
 
Vartotojo avataras
Registracija:
2006.05.10
Amžius:
40
Pranešimai:
6324
Miestas:
Mažeikiai
Automobiliai:
E39 530i M54 02'
Ex E36 328i M52 99'
Ex E39 530d M57 99'
Ex E30 316i m40 90'
gal kur Lietuvoi butu imanoma gauti ALPINA (repliku) 15cm dangtelius ? gal yra firmos kur stampuoja juos ? ieskojau googlei bet nieko panasaus nera, ebay irgi nera neskaitant viena skelbima uz ~250lt be zenkliuku 4vnt.
zinau kad galima nesunkiai pasidaryti, bet galvoju gal kas daro juos, nereiktu paciam zaisti :) visas zaidimas pas juos tie laikikliai, blyna tai nesunku ispjauti

_________________
Uždaro klubo narys


StandartinėParašytas: 27 Spa 2011, 11:03 
Atsijungęs
 Aprašymas  
 
 
Registracija:
2011.10.27
Pranešimai:
6
Automobiliai:
e36is m42b18
Sveiki gal kas zinot kur kaune butu galima nusipirkt sukuriniu rezonatoriu? dekui


StandartinėParašytas: 27 Spa 2011, 12:24 
Atsijungęs
 Aprašymas  
 
 
Vartotojo avataras
Registracija:
2005.08.27
Amžius:
55
Pranešimai:
9724
Miestas:
Kaunas
Automobiliai:
BMW E36 328Ci
BMW e92 330d
BMW e90 320d
BMW K1200GT
Skype:
maisteris
Birzelio 23 prie degalines uz sankrizos su Savanoriais link Teo vaziuojant duslintuvais prekiauja...
ten ir rasi visko

_________________
Antanas.E36Coupe


StandartinėParašytas: 27 Spa 2011, 12:57 
Atsijungęs
 Aprašymas  
 
 
Registracija:
2011.10.27
Pranešimai:
6
Automobiliai:
e36is m42b18
ačiū


StandartinėParašytas: 01 Lap 2011, 15:52 
Atsijungęs
 Aprašymas  
 
 
Vartotojo avataras
Registracija:
2009.02.17
Amžius:
40
Pranešimai:
50
Automobiliai:
ex VW Scirocco 87'
ex E36 318IS 93'
ex E46 330xd 01'
F31 318d 13'
Sveiki, gal kas žinote kur Vilniuje E46 angliškame prietaisų skydelyje (paprastas su mašinyte), skaitemniniame langelyje, gali pakeisti mylių rodmenis į kilometrų ir pririšt skydelį? Ir gal įsivaizduojat kiek tai maždaug kainuoja?


StandartinėParašytas: 05 Lap 2011, 12:06 
Atsijungęs
 Aprašymas  
 
 
Vartotojo avataras
Registracija:
2006.11.17
Amžius:
39
Pranešimai:
2296
Miestas:
Vilkaviškis
Automobiliai:
now:
[G30] 530d xdrive M
[F25] x3 xdrive30d
ex:
[E90] 320d
[E60] 530d
[E39] 525tds +chip
[E34] 525td
Nikas:
JONAS
sveiki. gal kas esat susidure su siais pardavejais?

http://www.goodxenon.com/index.asp

_________________
Respect__BMW__


Rodyti paskutinius pranešimus:  Rūšiuoti pagal  
Naujos temos kūrimas Atsakyti į temą  [ 2971 pranešimai(ų) ]  Eiti į Ankstesnis  1 ... 62, 63, 64, 65, 66, 67, 68 ... 199  Kitas

Visos datos yra UTC + 2 valandos [ DST ]


Dabar prisijungę

Vartotojai naršantys šį forumą: Registruotų vartotojų nėra


Jūs negalite kurti naujų temų šiame forume
Jūs negalite atsakinėti į temas šiame forume
Jūs negalite redaguoti savo pranešimų šiame forume
Jūs negalite trinti savo pranešimų šiame forume
Jūs negalite prikabinti failų šiame forume

Ieškoti:
Pereiti į:  
cron
Part of BMW Club Lithuania | Also visit BMW Club Gallery