Lietuvos BMW Klubas

Lietuvos BMW Klubo Forumas

Dabar yra 22 Kov 2026, 02:37

Visos datos yra UTC + 2 valandos [ DST ]


Forumo taisyklės


Privaloma naudotis paieška!!! Pasikartojančios temos bus trinamos, o autoriai įspėjami.

Kuriant naują temą, jos PAVADINIME, būtina laužtiniuose skliaustuose [] nurodyti automobilio kėbulo kodą, bei aiškiai suformuluoti problemą. To nepadarius, temos bus trinamos, o autoriai gaus įspėjimą.
E34, E60, E61 turi atskirus forumus !!!



Naujos temos kūrimas Atsakyti į temą  [ 36 pranešimai(ų) ]  Eiti į 1, 2, 3  Kitas
Autorius Žinutė
StandartinėParašytas: 08 Lap 2009, 22:11 
Atsijungęs
 Aprašymas  
 
 
Registracija:
2007.10.19
Amžius:
44
Pranešimai:
76
Miestas:
Šiauliai
Automobilio, apie kuri norite paklausti
Pagaminimo metai:96
Variklis:2,8
Degalai:benzinas

Problema/klausimas:sveiki norejau paklaust nupirkau toki modeli o ziuriu ant ismetimo vamzdzio kur stovi lemda ir tas sensorius yra ispjautas katalyzas ir neber nei to sensoriaus nei lemdos o ryna daug kuro tai ka daba reikia ivirint ta lemda ir bus gerai


StandartinėParašytas: 08 Lap 2009, 22:11 
Atsijungęs
 Aprašymas  
 
 
Vartotojo avataras
Registracija:
2006.10.20
Amžius:
38
Pranešimai:
3393
Miestas:
Vilnius
Automobiliai:
ex E32 735 86`
ex E34 525 89`
ex E34 520 89`
ex E34 525tds 93`
ex E36 318IS 93`
ex E39 528IA 98` Shadowline
ex E34 525i Touring 93`
ex E64 645CI 04` Manual
E39 525d 03`
E61 530XD 06`
Skype:
solidnas
le-bronka rašė:
Automobilio, apie kuri norite paklausti
Pagaminimo metai:96
Variklis:2,8
Degalai:benzinas

Problema/klausimas:sveiki norejau paklaust nupirkau toki modeli o ziuriu ant ismetimo vamzdzio kur stovi lemda ir tas sensorius yra ispjautas katalyzas ir neber nei to sensoriaus nei lemdos o ryna daug kuro tai ka daba reikia ivirint ta lemda ir bus gerai

kiek tas daug ryja?


StandartinėParašytas: 08 Lap 2009, 23:30 
Atsijungęs
 Aprašymas  
 
 
Vartotojo avataras
Registracija:
2005.08.27
Amžius:
55
Pranešimai:
9724
Miestas:
Kaunas
Automobiliai:
BMW E36 328Ci
BMW e92 330d
BMW e90 320d
BMW K1200GT
Skype:
maisteris
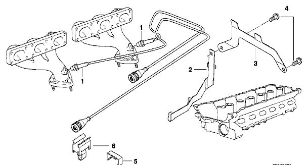
Gal ne ten ieskai tas liambdas? :)

Jei ka, liambdazondai tai delae numeris 1


Prikabinti failai:
Liambdos M52.JPG
Liambdos M52.JPG [ 42.94 KiB | Peržiūrėta 4205 kartus(ų) ]

_________________
Antanas.E36Coupe
StandartinėParašytas: 08 Lap 2009, 23:34 
Atsijungęs
 Aprašymas  
 
 
Vartotojo avataras
Registracija:
2009.08.12
Amžius:
57
Pranešimai:
733
Miestas:
Vilnius
Automobiliai:
E39 540 96'
Ir kaip tu ruošies tą liamdą ivyrint :?: Dabar reikia ieškot glušako su originaliu liamdos sriegiu.Liamda nesivyrina-ji isisuka. [-X
le-bronka rašė:
Automobilio, apie kuri norite paklausti
Pagaminimo metai:96
Variklis:2,8
Degalai:benzinas

Problema/klausimas:sveiki norejau paklaust nupirkau toki modeli o ziuriu ant ismetimo vamzdzio kur stovi lemda ir tas sensorius yra ispjautas katalyzas ir neber nei to sensoriaus nei lemdos o ryna daug kuro tai ka daba reikia ivirint ta lemda ir bus gerai


StandartinėParašytas: 09 Lap 2009, 01:01 
Atsijungęs
 Aprašymas  
 
 
Registracija:
2007.10.19
Amžius:
44
Pranešimai:
76
Miestas:
Šiauliai
tai as ziurejau shema man rodo kad ant gluseko tai sakau is kito ispjaut su visu sriegiu ir ivirint,o ryna daug su puse bako nulekiau koki 150 km


StandartinėParašytas: 09 Lap 2009, 01:02 
Atsijungęs
 Aprašymas  
 
 
Registracija:
2007.10.19
Amžius:
44
Pranešimai:
76
Miestas:
Šiauliai
tai gal čia da kasnors yra gal ne lemda tik


StandartinėParašytas: 09 Lap 2009, 01:03 
Atsijungęs
 Aprašymas  
 
 
Registracija:
2008.11.01
Pranešimai:
955
Automobiliai:
E36 325i m50 vanos coupe 93m.
E46 330i 01m.
pas tave zondu turi but daugiau tikrai ne vienas.pas mane jie 4.


StandartinėParašytas: 09 Lap 2009, 01:12 
Atsijungęs
 Aprašymas  
 
 
Registracija:
2007.10.19
Amžius:
44
Pranešimai:
76
Miestas:
Šiauliai
o tai kur jie dar turi buti


StandartinėParašytas: 09 Lap 2009, 01:23 
Atsijungęs
 Aprašymas  
 
 
Vartotojo avataras
Registracija:
2006.07.25
Amžius:
41
Pranešimai:
3277
Miestas:
Kaunas
Automobiliai:
JEEP, e23, e93 lci
2 turi but, e36coupe labai aiskiai parode kur jie turi but.


StandartinėParašytas: 09 Lap 2009, 01:50 
Atsijungęs
 Aprašymas  
 
 
Registracija:
2007.10.19
Amžius:
44
Pranešimai:
76
Miestas:
Šiauliai
nu reiks rytoi rimtai apziuret nes nesinori tiek pilt


StandartinėParašytas: 09 Lap 2009, 13:04 
Atsijungęs
 Aprašymas  
 
 
Vartotojo avataras
Registracija:
2008.06.11
Amžius:
43
Pranešimai:
747
Miestas:
Klaipeda
Automobiliai:
[E39] 523i
Skype:
tenets262
Nikas:
tenets
Ka reiskia puse bako?Nulek i kolonke,pilk pilna,pralek 100 km,ar 50 ir vel kist pistoleta,o jei ziuri is akies,ar pagal bc,uztat ir matai nesamones.Netikiu niekaip,su tavo puse bako (t.y.apie 35ltr)nulekti 150 km?Nesamone.Del liamdos nebuvimo,neimtu tiek kuro.Pas mane matuokle buvo parejus,ir vanusas nedirba,tai 17 mieste 100km,bet ne 23 ltr kaip pas tave

_________________
...Fuk the fuel economy...


StandartinėParašytas: 09 Lap 2009, 13:18 
Atsijungęs
 Aprašymas  
 
 
Registracija:
2007.10.19
Amžius:
44
Pranešimai:
76
Miestas:
Šiauliai
man gavos apie 21 litra ant simto tai gal kas kita čia o ne lemda tada


StandartinėParašytas: 09 Lap 2009, 13:35 
Atsijungęs
 Aprašymas  
 
 
Vartotojo avataras
Registracija:
2008.06.11
Amžius:
43
Pranešimai:
747
Miestas:
Klaipeda
Automobiliai:
[E39] 523i
Skype:
tenets262
Nikas:
tenets
le-bronka rašė:
man gavos apie 21 litra ant simto tai gal kas kita čia o ne lemda tada


Nu tai taip as ir supratau,juk 23 ir as parasiau

_________________
...Fuk the fuel economy...


StandartinėParašytas: 09 Lap 2009, 13:38 
Atsijungęs
 Aprašymas  
 
 
Registracija:
2007.10.19
Amžius:
44
Pranešimai:
76
Miestas:
Šiauliai
siaip tai labai daug tiek neturetu but reikia dar kazka ziuret


StandartinėParašytas: 12 Lap 2009, 10:59 
Atsijungęs
 Aprašymas  
 
 
Vartotojo avataras
Registracija:
2008.12.01
Amžius:
40
Pranešimai:
4902
Miestas:
Vilnius village
Automobiliai:
sold
le-bronka rašė:
siaip tai labai daug tiek neturetu but reikia dar kazka ziuret

diagnostika pasidaryk ir viska matysi.

_________________
suk suk suk vairą suk, tik į griovį neįsuk...


Rodyti paskutinius pranešimus:  Rūšiuoti pagal  
Naujos temos kūrimas Atsakyti į temą  [ 36 pranešimai(ų) ]  Eiti į 1, 2, 3  Kitas

Visos datos yra UTC + 2 valandos [ DST ]


Dabar prisijungę

Vartotojai naršantys šį forumą: Registruotų vartotojų nėra


Jūs negalite kurti naujų temų šiame forume
Jūs negalite atsakinėti į temas šiame forume
Jūs negalite redaguoti savo pranešimų šiame forume
Jūs negalite trinti savo pranešimų šiame forume
Jūs negalite prikabinti failų šiame forume

Ieškoti:
Pereiti į:  
cron
Part of BMW Club Lithuania | Also visit BMW Club Gallery