Lietuvos BMW Klubas

Lietuvos BMW Klubo Forumas

Dabar yra 28 Lap 2025, 10:42

Visos datos yra UTC + 2 valandos [ DST ]


Forumo taisyklės


Privaloma naudotis paieška!!! Pasikartojančios temos bus trinamos, o autoriai įspėjami.

Kuriant naują temą, jos PAVADINIME, būtina laužtiniuose skliaustuose [] nurodyti automobilio kėbulo kodą, bei aiškiai suformuluoti problemą. To nepadarius, temos bus trinamos, o autoriai gaus įspėjimą.
E34, E60, E61 turi atskirus forumus !!!



Naujos temos kūrimas Atsakyti į temą  [ 45 pranešimai(ų) ]  Eiti į Ankstesnis  1, 2, 3
Autorius Žinutė
StandartinėParašytas: 21 Bal 2009, 19:39 
Atsijungęs
 Aprašymas  
 
 
Registracija:
2009.02.10
Amžius:
38
Pranešimai:
103
Miestas:
Nottingham, UK
Automobiliai:
E60 530d
o pas ka buvo teke susidurt su gryztamojo proceso neveikimu?kas darosi ar taip pat kaip man?gal pas mane tas ir yr o apsukos del babinos kokios biskuti sokinej,beto pas mane kai pavara imeti tai sutrukciuoja


StandartinėParašytas: 21 Bal 2009, 22:33 
Atsijungęs
 Aprašymas  
 
 
Vartotojo avataras
Registracija:
2008.05.02
Amžius:
43
Pranešimai:
4083
Miestas:
Kaunas
Automobiliai:
E39 523i 98`
M52B25, Steptronic
o tai tu gali normalia diagnostika pasidaryti???? o ne spelioti..


StandartinėParašytas: 21 Bal 2009, 22:40 
Atsijungęs
 Aprašymas  
 
 
Registracija:
2009.02.10
Amžius:
38
Pranešimai:
103
Miestas:
Nottingham, UK
Automobiliai:
E60 530d
nu daryta ta diagnosti8ka jau koki 5 karta,jau sukista apie 300 lt vient ant jos,matau cia kaune tk rimti diagnostikai lb,td prasau patarimu, ir patirties nes nieka nebelieka kai paciam jau kazka keist ar tikrint


StandartinėParašytas: 21 Bal 2009, 23:06 
Atsijungęs
 Aprašymas  
 
 
Vartotojo avataras
Registracija:
2008.05.02
Amžius:
43
Pranešimai:
4083
Miestas:
Kaunas
Automobiliai:
E39 523i 98`
M52B25, Steptronic
pirma tureciau prisijungti ir paziureti, ka rodo tavo kompas, kitaip cia sneketi tuscias ramsas.


StandartinėParašytas: 22 Bal 2009, 20:37 
Atsijungęs
 Aprašymas  
 
 
Registracija:
2009.02.10
Amžius:
38
Pranešimai:
103
Miestas:
Nottingham, UK
Automobiliai:
E60 530d
o tai tu diagnostika atlieki?siaip paskutini kart dariau atomis prie melgos,saske ten patikimiausia diagnostika,ten man nustate davikli bent teisinga abso,tai sake misinio rodo klaida


StandartinėParašytas: 22 Bal 2009, 21:54 
Atsijungęs
 Aprašymas  
 
 
Vartotojo avataras
Registracija:
2008.05.02
Amžius:
43
Pranešimai:
4083
Miestas:
Kaunas
Automobiliai:
E39 523i 98`
M52B25, Steptronic
rolandizass rašė:
o tai tu diagnostika atlieki?siaip paskutini kart dariau atomis prie melgos,saske ten patikimiausia diagnostika,ten man nustate davikli bent teisinga abso,tai sake misinio rodo klaida


jei kada vaziuosi pro sona, tai prasuk, paziuresiu ka ten pas tave rodo, jei ka i pm.


StandartinėParašytas: 05 Geg 2009, 18:13 
Atsijungęs
 Aprašymas  
 
 
Registracija:
2009.02.10
Amžius:
38
Pranešimai:
103
Miestas:
Nottingham, UK
Automobiliai:
E60 530d
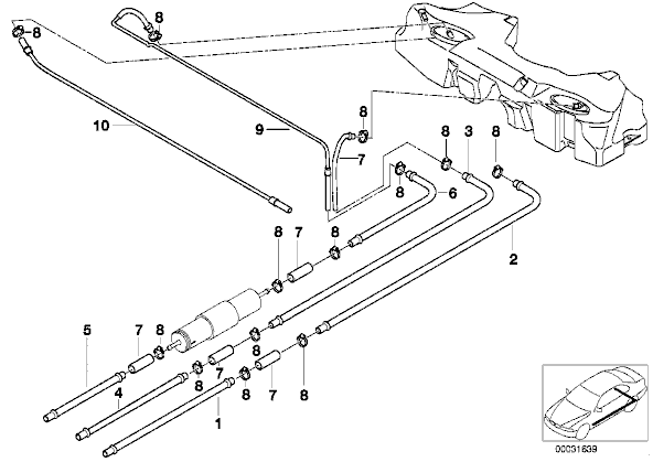
kas nors gali paaiskint kas per detale nr.10 raso kad filtras kuro, bet tai man keit4 filtra kuro antram paveiksleli esancia detale be nr. tarp nr 8 detaliu


Prikabinti failai:
19.png
19.png [ 9.81 KiB | Peržiūrėta 5921 kartus(ų) ]
47.png
47.png [ 11.88 KiB | Peržiūrėta 4475 kartus(ų) ]
StandartinėParašytas: 05 Geg 2009, 18:17 
  
 
 
Stai kaip buna kai tingi paieska naudotis :)
viewtopic.php?f=4&t=57293


StandartinėParašytas: 05 Geg 2009, 21:47 
Atsijungęs
 Aprašymas  
 
 
Registracija:
2009.02.10
Amžius:
38
Pranešimai:
103
Miestas:
Nottingham, UK
Automobiliai:
E60 530d
tai jis neturi itakos benzino srautui.o tik surenka kenksmingas medziagas,kad nepatektu per bakeli ar taip?


StandartinėParašytas: 24 Geg 2009, 23:33 
Atsijungęs
 Aprašymas  
 
 
Registracija:
2009.02.10
Amžius:
38
Pranešimai:
103
Miestas:
Nottingham, UK
Automobiliai:
E60 530d
tiesa pas mane katalizatorius ispjautas manrodos,tai sake man meistras tks kad gali but kad kompas masinas uzprogramuotas su kataliku o kai bejo tipo ir gali tk nesamones darytis, kiek sitame yra tiesos?


StandartinėParašytas: 25 Geg 2009, 11:10 
Atsijungęs
 Aprašymas  
 
 
Vartotojo avataras
Registracija:
2006.03.17
Amžius:
42
Pranešimai:
11113
Miestas:
Klaipėda
Automobiliai:
ex: E36 coupe 325 M50 vanos 94'
KIA 05' 2x2
o tu nenori pameginti isideti kita kuro siurbli? nes jai jau yra skirtumas tuscias, ar pilnas bakas, tai nei vienas daviklis, ar kompai to nemato ir negali nuo to priklausyti variklio darbas, isskyrus pati siurbli.

del bako ventiliacijos - jei nera garso (truakimo oro), kai atsuki uzpylimo kampsteli, tada viskas ten gerai.

_________________
Moteris prie vairo - tai lyg zvaigzde danguje. Tu ja matai, o ji taves ne...


StandartinėParašytas: 25 Geg 2009, 12:07 
Atsijungęs
 Aprašymas  
 
 
Registracija:
2009.02.10
Amžius:
38
Pranešimai:
103
Miestas:
Nottingham, UK
Automobiliai:
E60 530d
tai kad pirkt kainuoja lb daug juk, ojei ne siurblys busiu pinigus ismetes,o siaip kas paskolintu ta siurbli ir nelb pazystu


StandartinėParašytas: 25 Geg 2009, 12:42 
Atsijungęs
 Aprašymas  
 
 
Vartotojo avataras
Registracija:
2006.03.17
Amžius:
42
Pranešimai:
11113
Miestas:
Klaipėda
Automobiliai:
ex: E36 coupe 325 M50 vanos 94'
KIA 05' 2x2
kiek daug? 100-150 LTL... naujo nebutina prikti... srote susirandi, perki su salyga, kad jei nepades, bus galima grazinti ir dedi, ziuri, ar kas keiciasi.

_________________
Moteris prie vairo - tai lyg zvaigzde danguje. Tu ja matai, o ji taves ne...


StandartinėParašytas: 26 Geg 2009, 23:45 
Atsijungęs
 Aprašymas  
 
 
Registracija:
2009.02.10
Amžius:
38
Pranešimai:
103
Miestas:
Nottingham, UK
Automobiliai:
E60 530d
bet tai siurbli du kartus tikrino viena kart keite, cia ne jame esme


StandartinėParašytas: 27 Geg 2009, 10:34 
Atsijungęs
 Aprašymas  
 
 
Vartotojo avataras
Registracija:
2006.03.17
Amžius:
42
Pranešimai:
11113
Miestas:
Klaipėda
Automobiliai:
ex: E36 coupe 325 M50 vanos 94'
KIA 05' 2x2
rolandizass rašė:
bet tai siurbli du kartus tikrino viena kart keite, cia ne jame esme

matei kaip tikrino? tikrai gerai tikrino? kaip tikrino? matavo slegi?
jei i 1, 2, 4 atsakymus nera atsakymas TAIP, tada dar karta patikrink, kitur.

"beda pastebejau prie 3 men kai pradejau su gal 7 litrais paisyt gerus lankus ir seip skersas eit posukiuose.Tad gavos pirma kart kai vaziavau lanksta ir didesniu greiciu,buvo like gal 8ltr benzo gryzus i namus pastebejau kad cilindrai netolygiai dirba,ryt nebeuzkuriau iskarto,tik gal is 20 karto kokio ir dirbo trukciodama, staigiai uzsipiliau benzo ir i degnostika,o ten nieko.o per 3 men sia liga visa baigiu isanalizuot dazniausiai pradeda trukciuot kaip kad oro gautu kai benzo nebedaug lieka ir kai tenka staigu posuki isimti."

neuzpumpuoja kuro. siurblys, filtras, slegio reguliatorius.

_________________
Moteris prie vairo - tai lyg zvaigzde danguje. Tu ja matai, o ji taves ne...


Rodyti paskutinius pranešimus:  Rūšiuoti pagal  
Naujos temos kūrimas Atsakyti į temą  [ 45 pranešimai(ų) ]  Eiti į Ankstesnis  1, 2, 3

Visos datos yra UTC + 2 valandos [ DST ]


Dabar prisijungę

Vartotojai naršantys šį forumą: Registruotų vartotojų nėra


Jūs negalite kurti naujų temų šiame forume
Jūs negalite atsakinėti į temas šiame forume
Jūs negalite redaguoti savo pranešimų šiame forume
Jūs negalite trinti savo pranešimų šiame forume
Jūs negalite prikabinti failų šiame forume

Ieškoti:
Pereiti į:  
Part of BMW Club Lithuania | Also visit BMW Club Gallery