Lietuvos BMW Klubas

Lietuvos BMW Klubo Forumas

Dabar yra 14 Sau 2026, 11:46

Visos datos yra UTC + 2 valandos [ DST ]


Forumo taisyklės


Čia aptariamos tik E36 modelių problemos, visa kita informacija bus be perspėjimo trinama.
Kuriant temas būtina nurodytį kėbulo koda laužtiniuose skliaustuose [], bei aiškiai įvardinti problemą temos pavadinime.



Naujos temos kūrimas Atsakyti į temą  [ 6 pranešimai(ų) ] 
Autorius Žinutė
StandartinėParašytas: 02 Lap 2007, 23:51 
Atsijungęs
 Aprašymas  
 
 
Vartotojo avataras
Registracija:
2005.11.17
Amžius:
42
Pranešimai:
2468
Miestas:
Vilnius - Panevėžys
Automobiliai:
ex E36 320 M52 94'
E46 M47tuD20 03'
Sveiki,

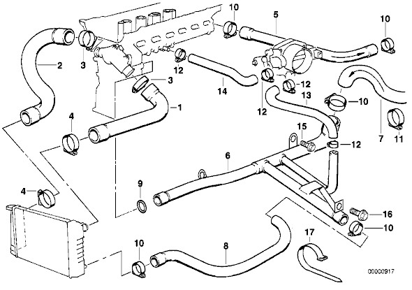
Šiandiena pasikeičiau radijatoriaus išsiplėtimo bakelio tarpines. Kaip ir buvo galima spėti, problema su nuorinimu. Aušinimo skysčio pripyliau kažkur 8l.
Procedūra: Įjungiau degimą, atsukau šildyma, pradėjau pilti aušinimo skysti. Pyliau tol kol nebesubėgo. Užvedžiau mašiną, užsukau išsiplėtimo bakelio kamštį ir laukiau kol atsidarys termostatas. Pradėjo pro nuorinimo skylę bėgti aušinimo skysti be burbulų. Užsukau nurorinimo varžtą. Pečiukas šyla, bet netaip gerai. Ant laisvų pušia šaltą, tik užgazavus šiltas oras eina.

Klausimas kada turėtų būti šilta 2 šlanga? Pas mane ji tuščia iš šalta, nors variklis dirbo daugiau nei valanda. Važinėjau. Temperatūra stabili ties viduriu.
http://www.realoem.com/bmw/showparts.do?model=BF51&mospid=47428&btnr=11_1488&hg=11&fg=35


Prikabinti failai:
aus_sist.jpg
aus_sist.jpg [ 65.88 KiB | Peržiūrėta 5738 kartus(ų) ]
StandartinėParašytas: 03 Lap 2007, 00:49 
Atsijungęs
 Aprašymas  
 
 
Vartotojo avataras
Registracija:
2007.02.28
Amžius:
38
Pranešimai:
311
Miestas:
Kaunas
mano supratimu antra slanga turi but silta tada kai variklis pasieke darbine temp ir atsidaro termostatas, tada pradeda cirkuliuot antifreezas ir ji uzsyla... gal aps tave jis uzklynijo ir neatsidaro :?


StandartinėParašytas: 03 Lap 2007, 02:03 
Atsijungęs
 Aprašymas  
 
 
Vartotojo avataras
Registracija:
2006.10.22
Amžius:
37
Pranešimai:
101
Miestas:
Kaunas
Nezinau kaip jus orinat kolegos bet taupydamas laika po tokiu darbu kaip tarpiniu keitimas jai uzsiorina ir kazkuri slanga lieka tuscia,imu (1Nr. slanga) ir pilu (coolant) ausinimo skysti i variklio skyriaus puse.manau supratot.
Gal 5 kart teko atlikti tokia procedura ir tikrai pasiteisino.


StandartinėParašytas: 09 Lap 2007, 21:11 
  
 
 
pas mane tokia pati beda...laisvomis apsukomis pucia salta ora o vazhiuojant karshta... auto ka tik pirktas ir rytoj keisiu tepalus filtrus ir t.t tuo paciu ir antifryza... nuorinta ir pilnai uzhpilta sistema tai ishtaisys ar visdelto cia tas termostatas jau kaltas?


StandartinėParašytas: 10 Lap 2007, 09:34 
Atsijungęs
 Aprašymas  
 
 
Vartotojo avataras
Registracija:
2005.11.17
Amžius:
42
Pranešimai:
2468
Miestas:
Vilnius - Panevėžys
Automobiliai:
ex E36 320 M52 94'
E46 M47tuD20 03'
pas mane susitvrake po ilgos keliones. Pravaziaves buvau atsukes nuorinimo varzta ir viskas ciki :) Jei temperatura pas tave uzkyla iki normos negreitai ir ne per letai, tai viskas gerai su termostatu.
Svarbiausia gerai nuorinti :!:


StandartinėParašytas: 10 Lap 2007, 23:58 
  
 
 
Variklis uzhsyla tai labai greitai.. bet temperatura stovi per viduriuka ir nejuda ne i viena puse... karta tik buvo truputely daugiau nei per vidury kai kamstyje sedejau apie 15min bet ishvazhiavus vel i trasa atsistate i norm... Sindien pakeites radau kad pats antifryzas bega per ishpletimo baklio apacia...reiks tarpine keisti o tik tada bandyt keist visos sistemos turiny :)


Rodyti paskutinius pranešimus:  Rūšiuoti pagal  
Naujos temos kūrimas Atsakyti į temą  [ 6 pranešimai(ų) ] 

Visos datos yra UTC + 2 valandos [ DST ]


Dabar prisijungę

Vartotojai naršantys šį forumą: Registruotų vartotojų nėra


Jūs negalite kurti naujų temų šiame forume
Jūs negalite atsakinėti į temas šiame forume
Jūs negalite redaguoti savo pranešimų šiame forume
Jūs negalite trinti savo pranešimų šiame forume
Jūs negalite prikabinti failų šiame forume

Ieškoti:
Pereiti į:  
Part of BMW Club Lithuania | Also visit BMW Club Gallery