Lietuvos BMW Klubas

Lietuvos BMW Klubo Forumas

Dabar yra 18 Vas 2026, 02:20

Visos datos yra UTC + 2 valandos [ DST ]


Forumo taisyklės


Čia aptariamos tik E36 modelių problemos, visa kita informacija bus be perspėjimo trinama.
Kuriant temas būtina nurodytį kėbulo koda laužtiniuose skliaustuose [], bei aiškiai įvardinti problemą temos pavadinime.



Naujos temos kūrimas Atsakyti į temą  [ 1 pranešimas ] 
Autorius Žinutė
StandartinėParašytas: 04 Rgp 2017, 14:41 
Atsijungęs
 Aprašymas  
 
 
Registracija:
2017.08.04
Pranešimai:
2
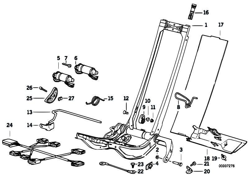
Nusipirkau gan gerai islaikyta odini sedano salona, taciau iskilo beda, ir noriu gaut patarimu is forumieciu, kurie galbut jau yra susidure su sedyniu ardymu ir pritaikymu.

Taigi. Mano senos sedynes yra naujojo tipo (du varztai apacioj, ir nusiima galine plastmasine dalis), sildomos, su priputimu.
http://www.static.estore-central.com/_d ... mznl9w.jpg


Odines, kurias nusipirkau, yra seno tipo remo (du varztai virsuj, du apacioj, ir nusiima nugarine dalis).
http://www.static.estore-central.com/_d ... i3nl9w.jpg

Ka patartumet daryti? ar bandyti permetinet tik oda ir paralona, ar visa nugarine dali? Velgi, odiniu sedyniu nugarines dalies oda tvirtinasi kitaip nei naujesniu sedyniu..
Visgi norisi tureti sildomas odines sedynes, kad jau turiu ta sildyma pagal komplektacija.. ačiū!!!


Rodyti paskutinius pranešimus:  Rūšiuoti pagal  
Naujos temos kūrimas Atsakyti į temą  [ 1 pranešimas ] 

Visos datos yra UTC + 2 valandos [ DST ]


Dabar prisijungę

Vartotojai naršantys šį forumą: Registruotų vartotojų nėra


Jūs negalite kurti naujų temų šiame forume
Jūs negalite atsakinėti į temas šiame forume
Jūs negalite redaguoti savo pranešimų šiame forume
Jūs negalite trinti savo pranešimų šiame forume
Jūs negalite prikabinti failų šiame forume

Ieškoti:
Pereiti į:  
cron
Part of BMW Club Lithuania | Also visit BMW Club Gallery