Lietuvos BMW Klubas

Lietuvos BMW Klubo Forumas

Dabar yra 21 Lap 2025, 03:29

Visos datos yra UTC + 2 valandos [ DST ]


Forumo taisyklės


Čia aptariamos tik E36 modelių problemos, visa kita informacija bus be perspėjimo trinama.
Kuriant temas būtina nurodytį kėbulo koda laužtiniuose skliaustuose [], bei aiškiai įvardinti problemą temos pavadinime.



Naujos temos kūrimas Atsakyti į temą  [ 86 pranešimai(ų) ]  Eiti į Ankstesnis  1, 2, 3, 4, 5, 6  Kitas
Autorius Žinutė
StandartinėParašytas: 16 Bal 2010, 16:25 
Atsijungęs
 Aprašymas  
 
 
Vartotojo avataras
Registracija:
2010.04.06
Pranešimai:
14
Miestas:
Klaipėda
Automobiliai:
BMW E36
BMW E46
Skype:
nth-service
Nikas:
NTH
Kashmir rašė:
zmogui pasakyta, kur reikia slieku ieskoti, bet jis vistiek netiki #-o :lol: tu surask holo daviklio paskirti ir suprasi, kodel tau neduoda ant zvakiu kibirksties


Antradieni varysiu kompiuterinei diagnostikai, bus matyt kas cia kaltas :) nes kai pasake kaina to aptatinio holo daviklio (~ 320lt :shock: ), experementuot nelabai noris :?


StandartinėParašytas: 16 Bal 2010, 16:27 
Atsijungęs
 Aprašymas  
 
 
Vartotojo avataras
Registracija:
2007.03.17
Amžius:
37
Pranešimai:
3533
Miestas:
Vilnius
Automobiliai:
ex.E34 520 M20 89'
ex.mazda 323 BG
ex.Mazda 626 GE crashed
ex.E36 316 M43 94'
ex.Aubi B4 94'
ex.Nissan Primera 97'
Aubi A4 TDI
nu tai gi galima imt naudota, nu :)

_________________
...nes tai BMW


StandartinėParašytas: 16 Bal 2010, 16:32 
Atsijungęs
 Aprašymas  
 
 
Vartotojo avataras
Registracija:
2006.03.17
Amžius:
42
Pranešimai:
11113
Miestas:
Klaipėda
Automobiliai:
ex: E36 coupe 325 M50 vanos 94'
KIA 05' 2x2
gali ir nedaryti. vienas dalykas, kad daznai neparodo jo gedimo (50/50), kitas dalykas, kad pagal pirma tavo posta, jau 90% galima sakyti, kad butent jis kaltas.
na bet jei nauja zadi deti, tada pries perkant gal ir neblogai pasitikrint butu, jei parodys gedima, tai bent tikras busi uz ka pinigus moki :)

_________________
Moteris prie vairo - tai lyg zvaigzde danguje. Tu ja matai, o ji taves ne...


StandartinėParašytas: 17 Bal 2010, 21:46 
Atsijungęs
 Aprašymas  
 
 
Vartotojo avataras
Registracija:
2010.04.06
Pranešimai:
14
Miestas:
Klaipėda
Automobiliai:
BMW E36
BMW E46
Skype:
nth-service
Nikas:
NTH
truputi likau nesuprates, vienu zodziu uzstumiau as savo auto, uzsikure, bet kai tajungiau apatini holo davikli, motoras iskart uzgeso... ar tikrai kaltas tas daviklis? Jei jis neveiktu, tai manyciau ir uzstumt neitu :?


StandartinėParašytas: 18 Bal 2010, 11:10 
Atsijungęs
 Aprašymas  
 
 
Vartotojo avataras
Registracija:
2005.08.27
Amžius:
55
Pranešimai:
9724
Miestas:
Kaunas
Automobiliai:
BMW E36 328Ci
BMW e92 330d
BMW e90 320d
BMW K1200GT
Skype:
maisteris
tau jau atsake [-X

_________________
Antanas.E36Coupe


StandartinėParašytas: 18 Bal 2010, 11:58 
Atsijungęs
 Aprašymas  
 
 
Vartotojo avataras
Registracija:
2007.01.07
Amžius:
39
Pranešimai:
3728
Miestas:
Vilnius
Automobiliai:
E46 328Ci
ex : E36 318tds
Skype:
ann.t.m.2
NTH rašė:
truputi likau nesuprates, vienu zodziu uzstumiau as savo auto, uzsikure, bet kai tajungiau apatini holo davikli, motoras iskart uzgeso... ar tikrai kaltas tas daviklis? Jei jis neveiktu, tai manyciau ir uzstumt neitu :?

užstumti eina!

_________________
1. nebrangiai,2. kokybiškai 3. greitai - štai kaip dirba garažiniai - rinkitės bet kokius 2 variantus :D


StandartinėParašytas: 20 Bal 2010, 21:12 
Atsijungęs
 Aprašymas  
 
 
Vartotojo avataras
Registracija:
2010.04.06
Pranešimai:
14
Miestas:
Klaipėda
Automobiliai:
BMW E36
BMW E46
Skype:
nth-service
Nikas:
NTH
Kagi, ačiū visiems uz komentarus :) visedelto jus buvot teisus kaltas buvo apatinis holo daviklis :) siandien gavau, ziauriai papigiai uz 25lt :) istaciau, iskart uzsivede =D> jau maniau kad teks kokius 300lt aukot tam reikalui :O BMW centre 400lt krasta auto 328lt :) vienu zodziu kainas uzsirove yra nerealias :)

Daba beliko issiaiskint del nestabiliu laisvu apsuku, kazkotai laisvoje eigoje sokineja-nestabilai dirba :?


StandartinėParašytas: 21 Bal 2010, 10:34 
Atsijungęs
 Aprašymas  
 
 
Vartotojo avataras
Registracija:
2006.03.17
Amžius:
42
Pranešimai:
11113
Miestas:
Klaipėda
Automobiliai:
ex: E36 coupe 325 M50 vanos 94'
KIA 05' 2x2
plauk LEV ir tikrink oro slangas nuo itrukimu, ar nusimovusios gali buti.

_________________
Moteris prie vairo - tai lyg zvaigzde danguje. Tu ja matai, o ji taves ne...


StandartinėParašytas: 24 Bal 2010, 21:16 
Atsijungęs
 Aprašymas  
 
 
Vartotojo avataras
Registracija:
2010.04.06
Pranešimai:
14
Miestas:
Klaipėda
Automobiliai:
BMW E36
BMW E46
Skype:
nth-service
Nikas:
NTH
all in music rašė:
plauk LEV ir tikrink oro slangas nuo itrukimu, ar nusimovusios gali buti.

O kas tas LEV :) ? oro slangas tikrinau viskas ok, beto pries metus keiciau visa ta "alkunine zarna" (nezinau kaip ji is tikro vadinas), nauja pirkau, is BMW centro.


StandartinėParašytas: 26 Bal 2010, 10:19 
Atsijungęs
 Aprašymas  
 
 
Vartotojo avataras
Registracija:
2006.03.17
Amžius:
42
Pranešimai:
11113
Miestas:
Klaipėda
Automobiliai:
ex: E36 coupe 325 M50 vanos 94'
KIA 05' 2x2
po koliku cilindra nedideli rasi i gumini zieda itvirtinta, 2 slangos jungias ir fyske is priekio. su su carbcleaner praplauk.
http://media.photobucket.com/image/icv% ... us/ICV.jpg

_________________
Moteris prie vairo - tai lyg zvaigzde danguje. Tu ja matai, o ji taves ne...


StandartinėParašytas: 02 Geg 2010, 19:16 
Atsijungęs
 Aprašymas  
 
 
Vartotojo avataras
Registracija:
2010.04.06
Pranešimai:
14
Miestas:
Klaipėda
Automobiliai:
BMW E36
BMW E46
Skype:
nth-service
Nikas:
NTH
Na dėkui, bandysiu ieškoti :) tikiuosi ant plytos tuoj pačioj veitoj randasi :)


StandartinėParašytas: 02 Geg 2010, 19:35 
Atsijungęs
 Aprašymas  
 
 
Vartotojo avataras
Registracija:
2006.12.23
Pranešimai:
982
Miestas:
Vilnius
Automobiliai:
E60 535i 08'
NTH rašė:
Na dėkui, bandysiu ieškoti :) tikiuosi ant plytos tuoj pačioj veitoj randasi :)

nu tai turbūt :mrgreen:

_________________
W210 E55 AMG 99'
S8 D2 98'
e60 535i 08'


StandartinėParašytas: 02 Geg 2010, 23:01 
Atsijungęs
 Aprašymas  
 
 
Vartotojo avataras
Registracija:
2009.09.28
Amžius:
51
Pranešimai:
176
Miestas:
Rokiškis
Automobiliai:
E36 325 M50 91
sveiki nekuriu naujos temos oproblema ta kad pasikeiciau varikli ir abieju holo davikliu fiškes vienodos tai bijau uzvest kokios gali but pasekmes jei vesiu su sumaišytais davikliais ir kaip išsiaiškint kuri fiške nuo kurio daviklio

_________________
BMW gerai-naujas butu žymiai geriau


StandartinėParašytas: 02 Geg 2010, 23:10 
Atsijungęs
 Aprašymas  
 
 
Vartotojo avataras
Registracija:
2007.03.17
Amžius:
37
Pranešimai:
3533
Miestas:
Vilnius
Automobiliai:
ex.E34 520 M20 89'
ex.mazda 323 BG
ex.Mazda 626 GE crashed
ex.E36 316 M43 94'
ex.Aubi B4 94'
ex.Nissan Primera 97'
Aubi A4 TDI
neuzsives ir tiek

_________________
...nes tai BMW


StandartinėParašytas: 03 Geg 2010, 09:44 
Atsijungęs
 Aprašymas  
 
 
Vartotojo avataras
Registracija:
2006.03.17
Amžius:
42
Pranešimai:
11113
Miestas:
Klaipėda
Automobiliai:
ex: E36 coupe 325 M50 vanos 94'
KIA 05' 2x2
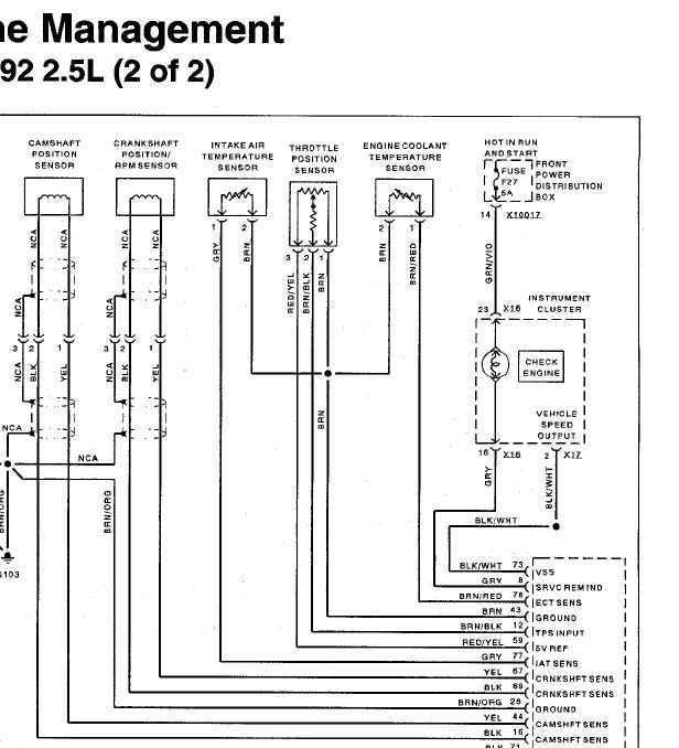
giedrius2 rašė:
sveiki nekuriu naujos temos oproblema ta kad pasikeiciau varikli ir abieju holo davikliu fiškes vienodos tai bijau uzvest kokios gali but pasekmes jei vesiu su sumaišytais davikliais ir kaip išsiaiškint kuri fiške nuo kurio daviklio

kad spelioti nereiktu (laidu spalvos)


Prikabinti failai:
91 2.5.JPG
91 2.5.JPG [ 68.96 KiB | Peržiūrėta 4396 kartus(ų) ]

_________________
Moteris prie vairo - tai lyg zvaigzde danguje. Tu ja matai, o ji taves ne...
Rodyti paskutinius pranešimus:  Rūšiuoti pagal  
Naujos temos kūrimas Atsakyti į temą  [ 86 pranešimai(ų) ]  Eiti į Ankstesnis  1, 2, 3, 4, 5, 6  Kitas

Visos datos yra UTC + 2 valandos [ DST ]


Dabar prisijungę

Vartotojai naršantys šį forumą: Registruotų vartotojų nėra


Jūs negalite kurti naujų temų šiame forume
Jūs negalite atsakinėti į temas šiame forume
Jūs negalite redaguoti savo pranešimų šiame forume
Jūs negalite trinti savo pranešimų šiame forume
Jūs negalite prikabinti failų šiame forume

Ieškoti:
Pereiti į:  
Part of BMW Club Lithuania | Also visit BMW Club Gallery